GM Service Manual Online
For 1990-2009 cars only
Makes
🢒
Pontiac
🢒
1998
🢒
Firebird
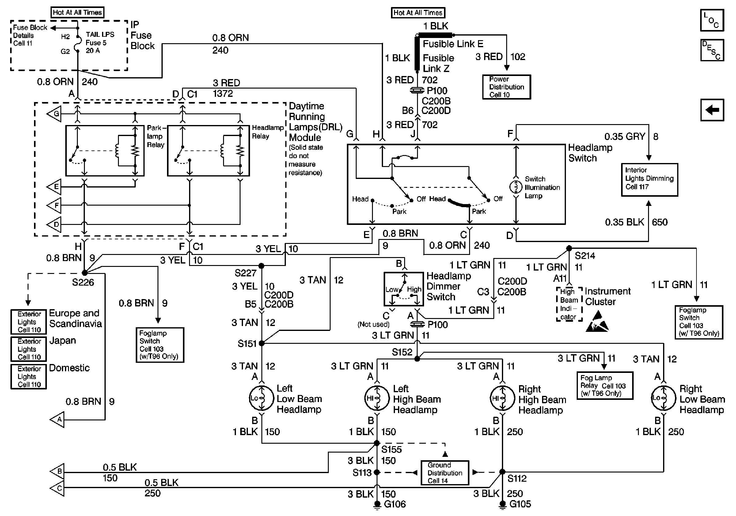
🢒 Cell 102: Headlamps (Chevrolet)
Cell 102: Headlamps (Chevrolet)
Cell 102: Headlamps (Chevrolet)
Fuse Block Schematics
Cell 102: Park/Turnlamps (Chevrolet)
Cell 102: Park/Turnlamps (Chevrolet)
Cell 102: Park/Turnlamps (Chevrolet)
Cell 102: Park/Turnlamps (Chevrolet)
Fog Lights Schematics
Cell 102: Park/Turnlamps (Chevrolet)
Cell 102: Park/Turnlamps (Chevrolet)
Ground Distribution Schematics
Fog Lights Schematics
Fog Lights Schematics
Handling ESD Sensitive Parts Notice
Power Distribution Schematics
Interior Lights Dimming Schematics
Cell 102: Park/Turnlamps (Chevrolet)
Lighting Systems Components
Exterior Lights Schematics Domestic
Headlights Circuit Description Chevrolet
Cell 102: Park/Turnlamps (Chevrolet)
Exterior Lights Schematics Europe and Scandinavia
Exterior Lights Schematics Japan