GM Service Manual Online
For 1990-2009 cars only
Makes
🢒
Pontiac
🢒
2000
🢒
Firebird
🢒 Cell 138
Cell 138
Cell 138
Tilt Wheel/Column Components
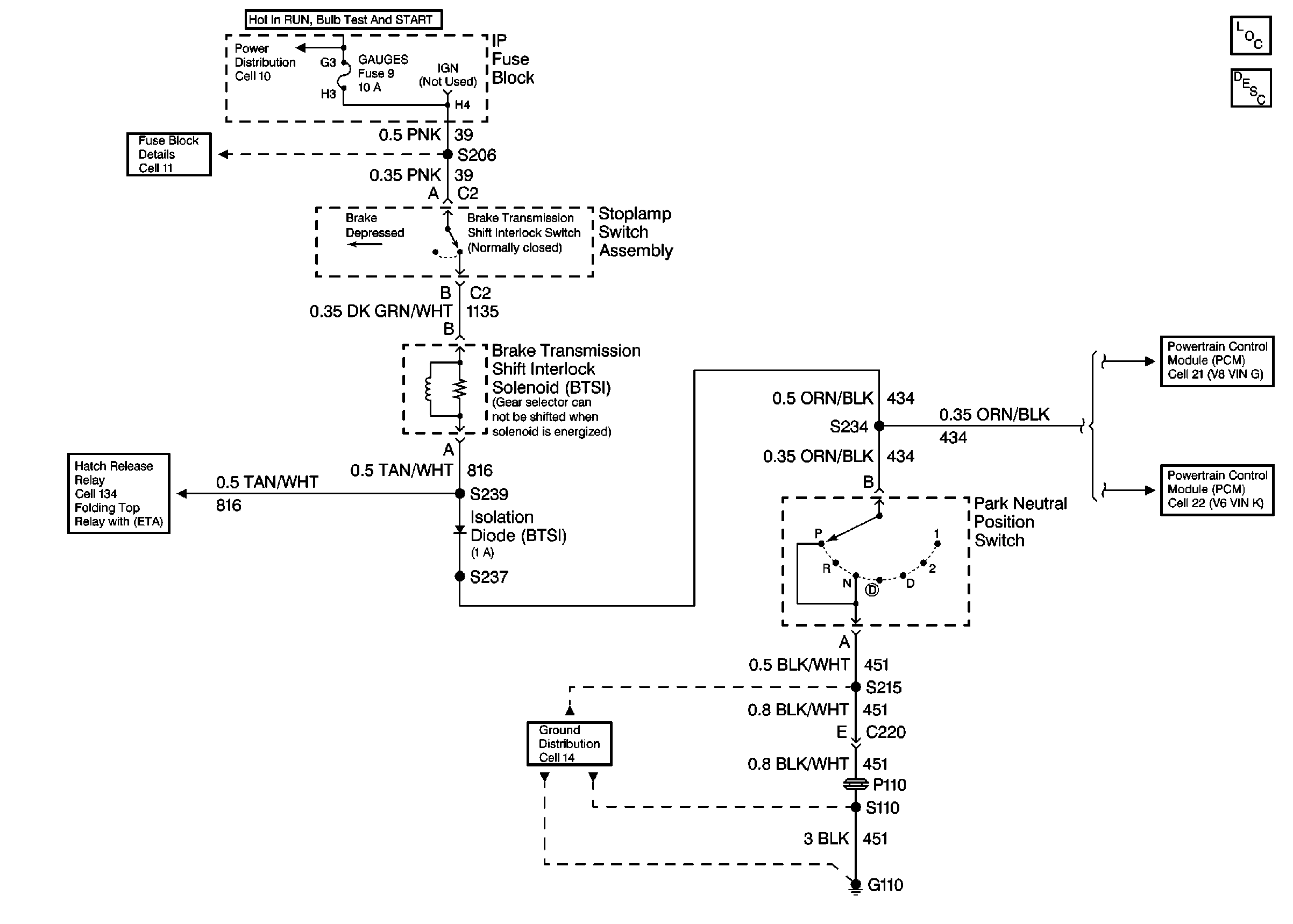
Automatic Transmission Shift Lock Control Circuit Description
Fusible Links, IP Fuse Block, and Underhood Electrical Centers
I/P Fuses 7, 9, 10 and 11
DRL Module, Park Brake Switch, and Park/Neutral Position Switch
G110 V6 VIN K
Automatic Transmission, Park/Neutral Position Switch
Trans Range