GM Service Manual Online
For 1990-2009 cars only
Makes
🢒
Pontiac
🢒
2000
🢒
Firebird
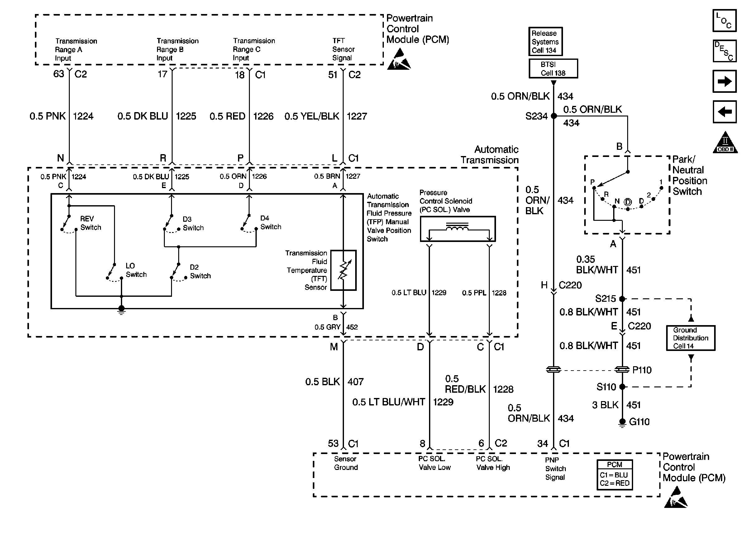
🢒 Automatic Transmission, Park/Neutral Position Switch
Automatic Transmission, Park/Neutral Position Switch
Automatic Transmission, Park/Neutral Position Switch
Engine Controls Components
Electronic Component Description
A/C System
Automatic Transmission, Stop Lamp Switch
OBD II Symbol Description Notice
Handling ESD Sensitive Parts Notice
DRL Module, Park Brake Switch, and Park/Neutral Position Switch
Cell 138
G110 V8 VIN G
Handling ESD Sensitive Parts Notice
Powertrain Control Module Connector End Views