GM Service Manual Online
For 1990-2009 cars only
Makes
🢒
Pontiac
🢒
2000
🢒
Firebird
🢒 Cell 61
Cell 61
Cell 61
Stationary Windows Components
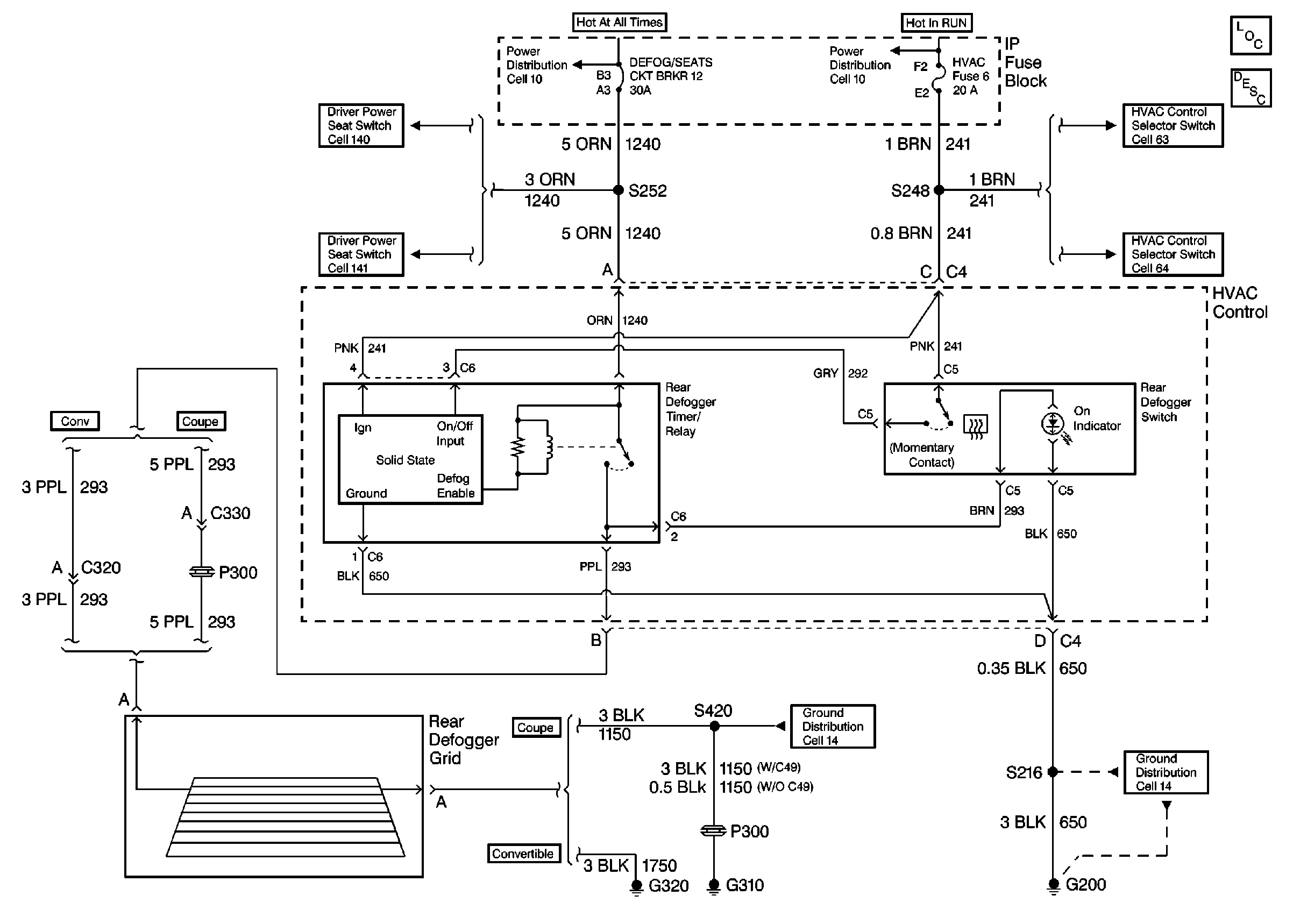
Rear Window Defogger Circuit Description
Cell 63
Cell 64: V8 VIN G
G200 DRL, HVAC, Rear Defog
G305, G310, G320
Cell 140: Driver 6-Way (AG1)
Cell 141: Ultima(AQ9)
Fusible Links, IP Fuse Block, and Underhood Electrical Centers
Ignition Switch and IP Fuse Block