GM Service Manual Online
For 1990-2009 cars only
Makes
🢒
Pontiac
🢒
2000
🢒
Firebird
🢒 Information Sensors
Information Sensors
Information Sensors
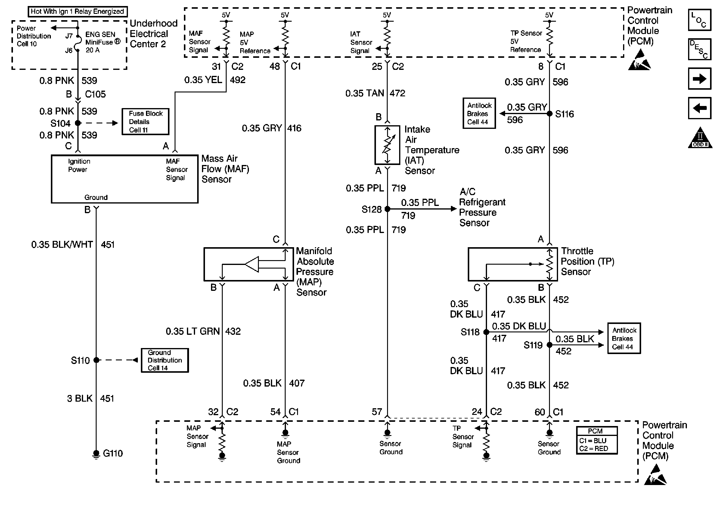
Engine Controls Components
Information Sensors/Switches Description
Heated Oxygen Sensors
Injector Circuits
OBD II Symbol Description Notice
Ignition Switch and Underhood Electrical Center 2
Handling ESD Sensitive Parts Notice
Handling ESD Sensitive Parts Notice
5.7L With Traction Control
U/H Center 2: ENG SEN Fuse
5.7L With Traction Control
G110 V8 VIN G
A/C System
Powertrain Control Module Connector End Views