GM Service Manual Online
For 1990-2009 cars only
Makes
🢒
Pontiac
🢒
2000
🢒
Firebird
🢒 A/C System
A/C System
A/C System
Engine Controls Components
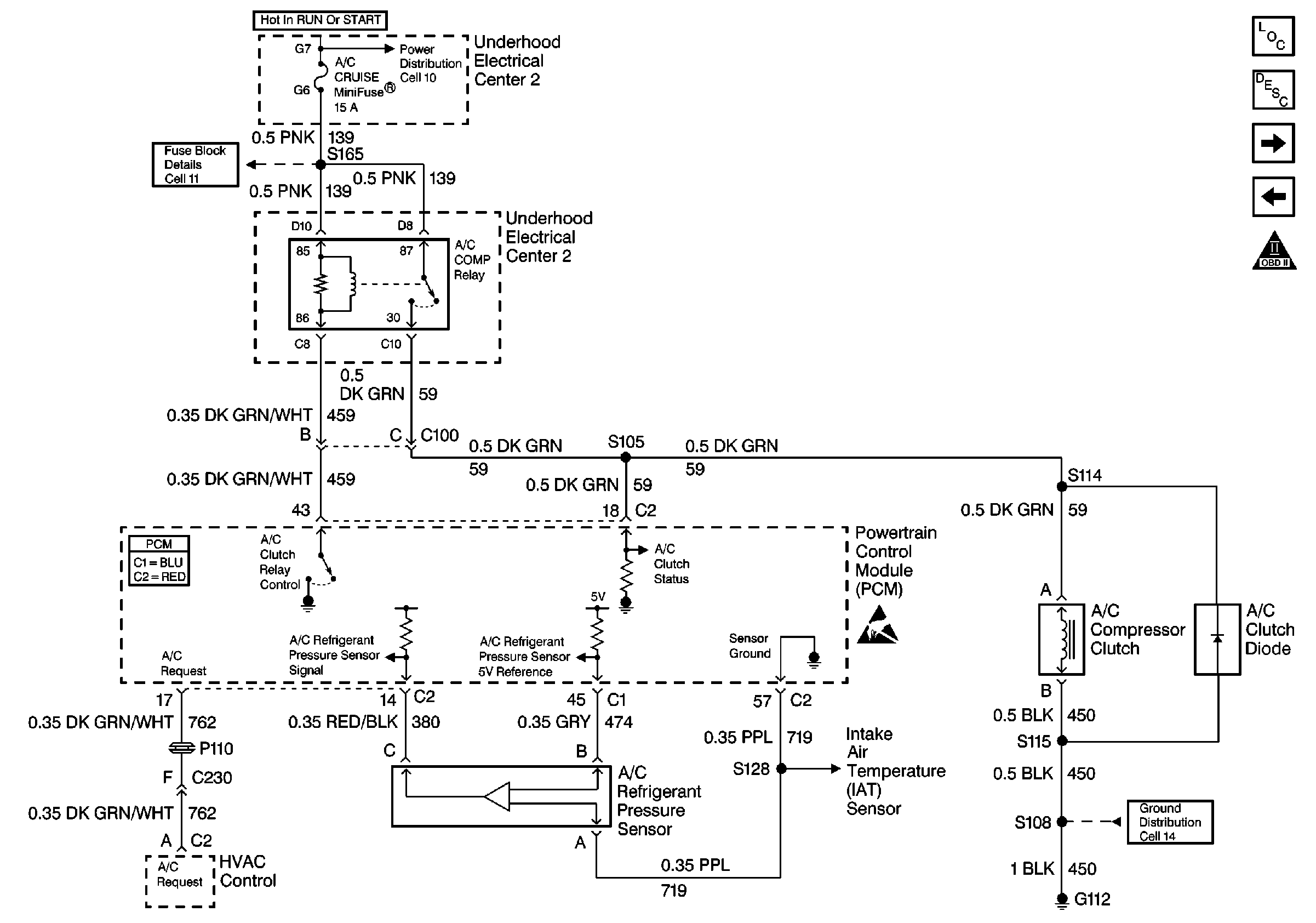
Powertrain Control Module Controlled Air Conditioning Description
Engine Cooling Fans
Automatic Transmission, Park/Neutral Position Switch
OBD II Symbol Description Notice
Ignition Switch and Underhood Electrical Center 2
U/H Center 2: ETC and A/C Cruise Fuses
Information Sensors
G112 V8 VIN G
Powertrain Control Module Connector End Views