GM Service Manual Online
For 1990-2009 cars only
Makes
🢒
Pontiac
🢒
2000
🢒
Firebird
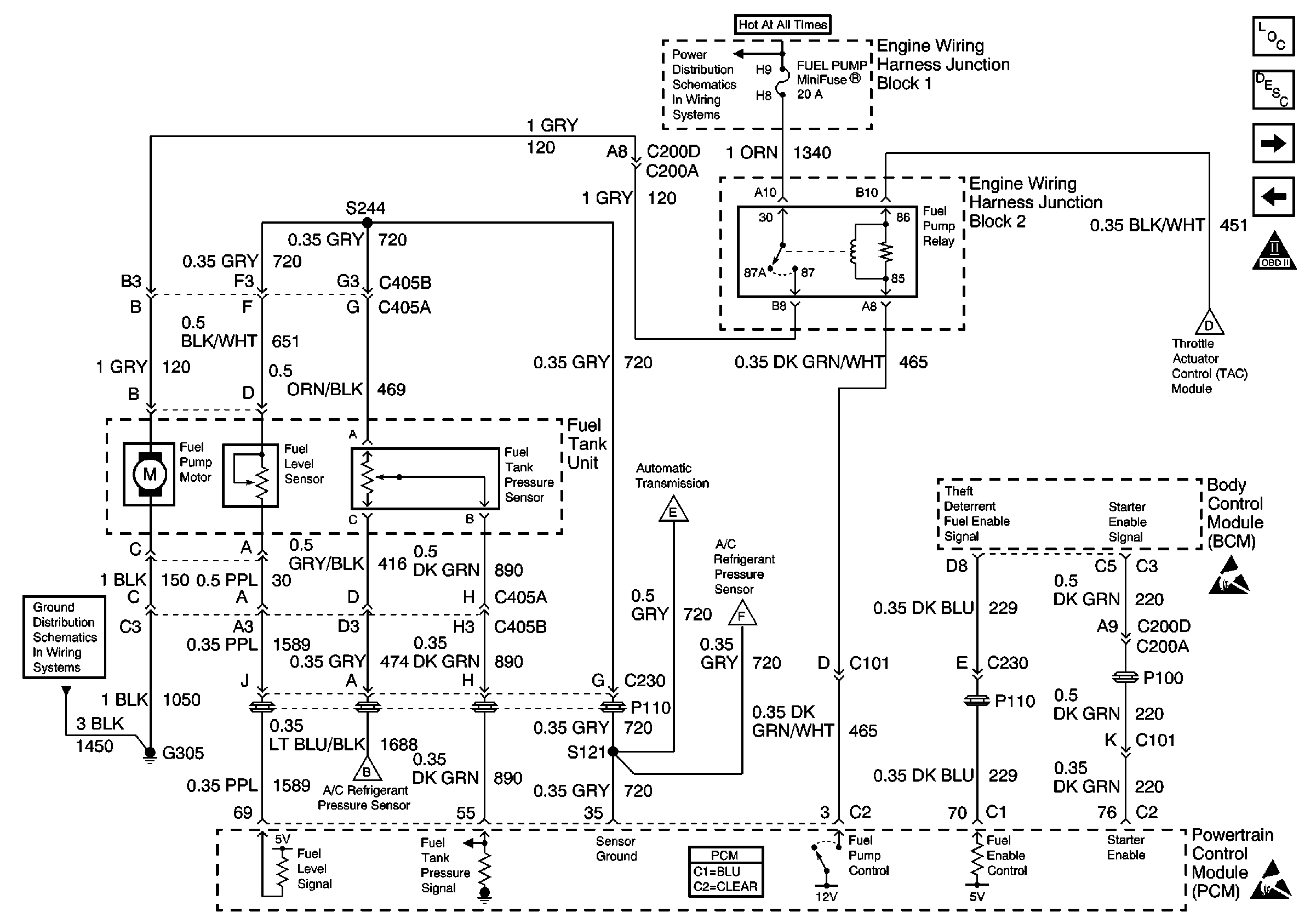
🢒 Fuel Pump Controls
Fuel Pump Controls
Fuel Pump Controls
Engine Controls Components
Fuel Injectors
Ignition Controls, Knock Sensors
OBD II Symbol Description Notice
TAC Module, TAC
Handling ESD Sensitive Parts Notice
Handling ESD Sensitive Parts Notice
A/C HVAC Control
Powertrain Control Module Connector End Views
Automatic Transmission, Park Neutral Position Switch
AIR PUMP, FUEL PUMP and PCM BAT Fuses
A/C HVAC Control
G305, G310, G320
Fuel Metering System Component Description