GM Service Manual Online
For 1990-2009 cars only
Makes
🢒
Pontiac
🢒
2000
🢒
Firebird
🢒 TAC Module, TAC
TAC Module, TAC
TAC Module, TAC
Engine Controls Components
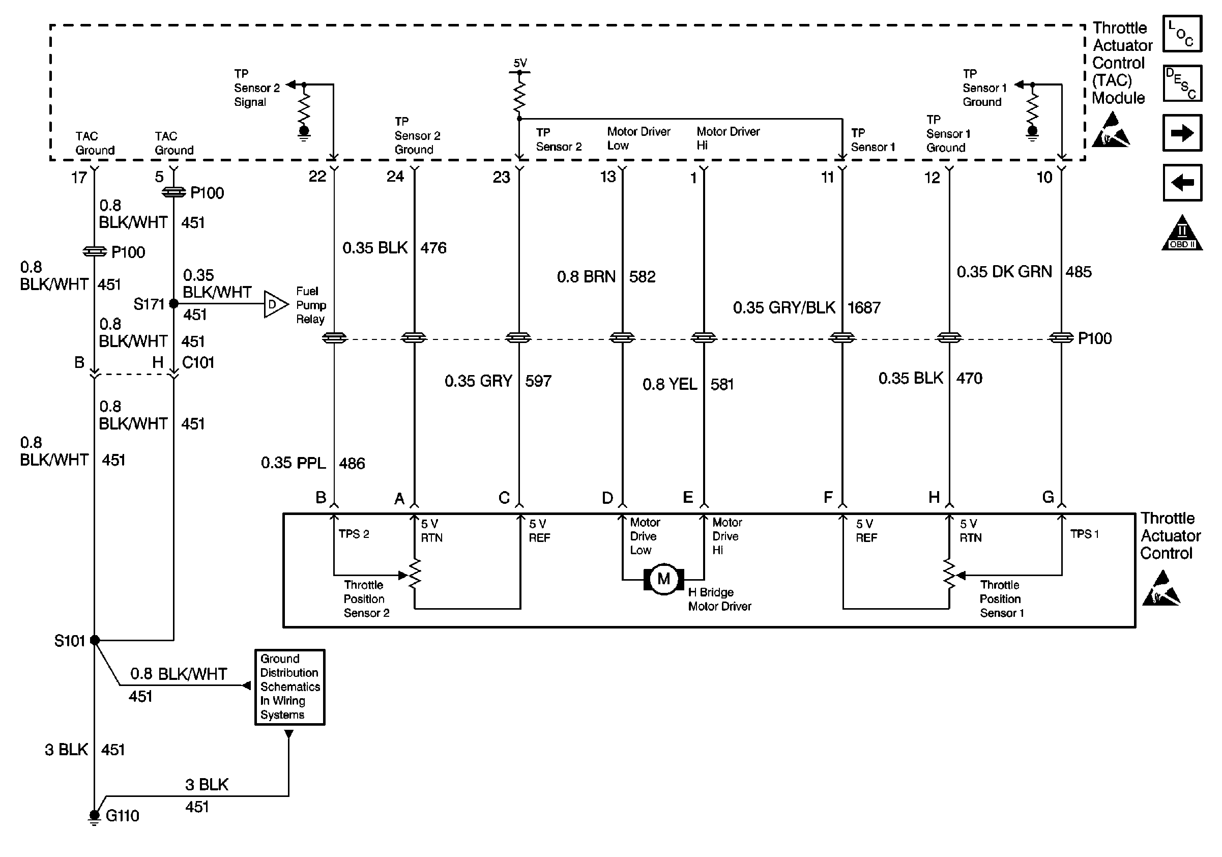
Throttle Actuator Control (TAC) System Description
Second Gear Start, Cruise Control Switches
TAC Module, Brake Switch, Cruise
OBD II Symbol Description Notice
Handling ESD Sensitive Parts Notice
Handling ESD Sensitive Parts Notice
Fuel Pump Controls
G110 V6 VIN K