GM Service Manual Online
For 1990-2009 cars only
Makes
🢒
Pontiac
🢒
2000
🢒
Firebird
🢒 Chevrolet
Chevrolet
Chevrolet
Lighting Systems Components
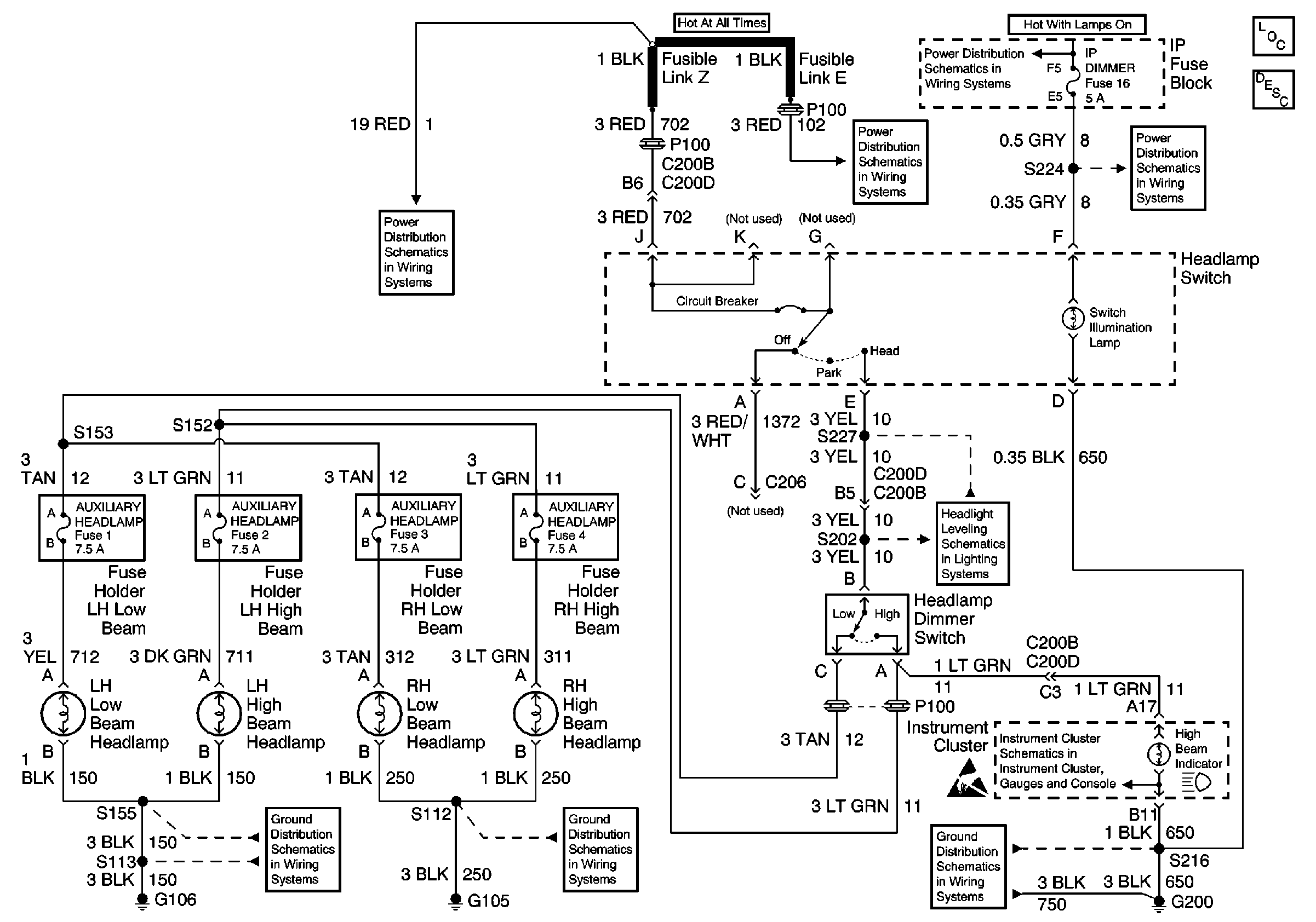
Headlights Circuit Description Europe and Japan
Interior Illumination Lamps 1 of 2
Interior Illumination Lamps 1 of 2
Fusible Links, CIG/ACCY, ENG CTRL, IGN, I/P-1, I/P-2, and PWR ACCY Fuses
Fusible Links, CIG/ACCY, ENG CTRL, IGN, I/P-1, I/P-2, and PWR ACCY Fuses
Chevrolet
Instrument Cluster Illumination and Indicators
G200 Splice S216
G105
G106