GM Service Manual Online
For 1990-2009 cars only
Makes
🢒
Pontiac
🢒
2000
🢒
Firebird
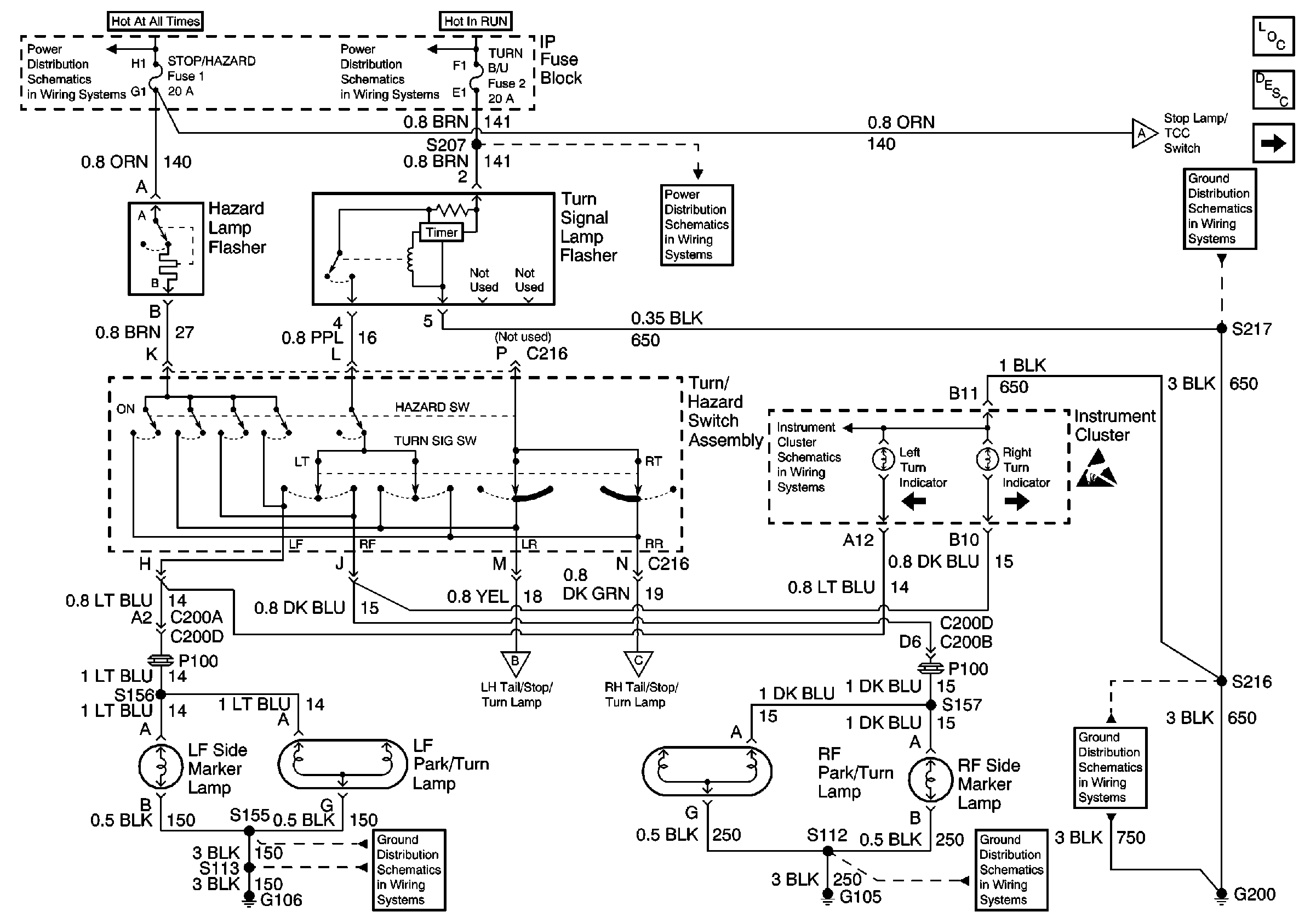
🢒 Chevrolet: Side Marker Lamps, Park/Turn Lamps
Chevrolet: Side Marker Lamps, Park/Turn Lamps
Chevrolet: Side Marker Lamps, Park/Turn Lamps
Lighting Systems Components
Exterior Lights Circuit Description Japan, Europe, Scandinavia
Chevrolet: Center High Mounted Stop Lamp, Taillamps, Tail/Stop Lamps
Chevrolet: Center High Mounted Stop Lamp, Taillamps, Tail/Stop Lamps
G200 Splice S217
G200 Splice S216
G105
Instrument Cluster Illumination and Indicators
HVAC and TURN B/U Fuses
Chevrolet: Side Marker Lamp, Position Lamp, License Lamps, Tail/Stop/Turn Lamps
Chevrolet: Side Marker Lamp, Position Lamp, License Lamps, Tail/Stop/Turn Lamps
G106
HVAC and TURN B/U Fuses
TAIL LPS and STOP/HAZARD Fuses