GM Service Manual Online
For 1990-2009 cars only

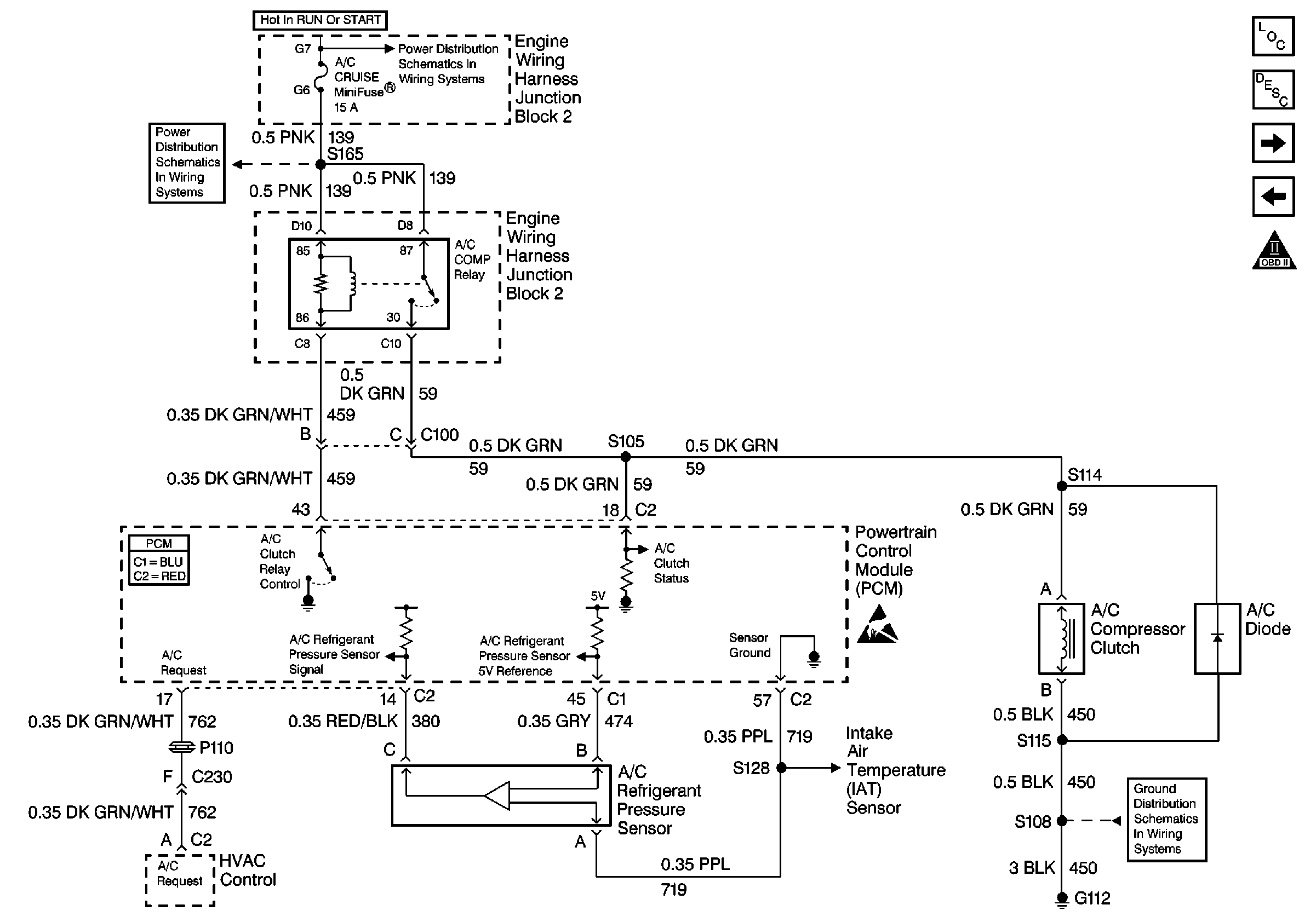
Refer to Engine Controls Schematics,

A/C Compressor Control


Object Number: 488031  Size: FS
Engine Controls Components
Powertrain Control Module Controlled Air Conditioning Description
Cooling Fans
Automatic Transmission and Park/Neutral Position Switch
OBD II Symbol Description Notice
Handling ESD Sensitive Parts Notice
A/C CRUISE and ETC Fuses
A/C CRUISE and ETC Fuses
Powertrain Control Module Connector End Views
Engine Sensors
G112 V8 VIN G
for complete circuit details.

Circuit Description

The PCM will activate the A/C clutch relay when the PCM detects that A/C has been requested. When the PCM activates the relay, voltage should be present at both the A/C compressor clutch and the A/C clutch status circuit at the PCM.

Conditions for Running the DTC

The A/C is requested.

Conditions for Setting the DTC

The PCM commands the A/C ON and the PCM does not detect a voltage on the A/C clutch status line for more than 5 seconds.

Action Taken When the DTC Sets

    • The powertrain control module (PCM) stores the DTC information into memory when the diagnostic runs and fails.
    • The malfunction indicator lamp (MIL) will not illuminate.
    • The PCM records the operating conditions at the time the diagnostic fails. The PCM stores this information in the Failure Records.

Conditions for Clearing the DTC

    • A last test failed, or current DTC, clears when the diagnostic runs and does not fail.
    • A history DTC will clear after 40 consecutive warm-up cycles, if no failures are reported by this or any other non-emission related diagnostic.
    • Use a scan tool in order to clear the DTC.

Diagnostic Aids

Important: 

   • Remove any debris from the PCM connector surfaces before servicing the PCM. Inspect the PCM connector gaskets when diagnosing/replacing the PCM. Ensure that the gaskets are installed correctly. The gaskets prevent contaminate intrusion into the PCM.
   • For any test that requires probing the PCM or a component harness connector, use the J 35616 connector test adapter kit. Using this kit prevents damage to the harness/component terminals. Refer to Using Connector Test Adapters in Wiring Systems.

For an intermittent condition, refer to Symptoms .

Test Description

The numbers below refer to the step numbers on the diagnostic table.

  1. This step tests the operation of the A/C compressor clutch. The PCM disables the A/C compressor clutch when this DTC is set.

  2. Using the Freeze Frame and/or Failure Records data may aid in locating an intermittent condition. If you cannot duplicate the DTC, the information included in the Freeze Frame and/or Failure Records data can help determine how many miles since the DTC set. The Fail Counter and Pass Counter can also help determine how many ignition cycles the diagnostic reported a pass and/or a fail. Operate vehicle within the same freeze frame conditions (RPM, load, vehicle speed, temperature etc.) that you observed. This will isolate when the DTC failed.

  3. This step tests whether the ignition voltage is available at the relay.

  4. This step determines if the A/C relay is at fault or the A/C status circuit is at fault. If the A/C clutch engages, this indicates that the A/C Status circuit is OK.

  5. If the A/C Status is displayed as OFF, this indicates the A/C status circuit is open between the splice and the PCM. If the A/C Status is displayed as ON, this indicates a faulty connection at the A/C compressor relay or a faulty relay.

Step

Action

Value(s)

Yes

No

1

Did you perform the Powertrain On-Board Diagnostic (OBD) System Check?

--

Go to Step 2

Go to Powertrain On Board Diagnostic (OBD) System Check

2

  1. Install a scan tool.
  2. Idle the engine with the A/C ON for the specified length of time.

Does the A/C clutch operate properly?

5 minutes

Go to Step 3

Go to Step 4

3

  1. Turn ON the ignition leaving the engine OFF.
  2. Review Freeze Frame and/or Failure Records data for this DTC and note parameters.
  3. Turn OFF the ignition for 15 seconds.
  4. Idle the engine.
  5. Operate the vehicle within the conditions required for this diagnostic to run, and as close to the conditions recorded in Freeze Frame/Failure Records as possible. Special operating conditions that you need to meet before the PCM will run this diagnostic, where applicable, are listed in Conditions for Setting the DTC.
  6. Select the Diagnostic Trouble Code (DTC) option and the Specific DTC option, then enter the DTC number using the scan tool.

Does the scan tool indicate that this diagnostic failed this ignition?

--

Go to Step 4

Go to Diagnostic Aids

4

Important: For underhood electrical center relay terminal identification refer to Electrical Center Identification Views in Wiring Systems.

  1. Turn OFF the ignition.
  2. Disconnect the A/C clutch relay from the electrical center 2.
  3. Turn ON the ignition leaving the engine OFF.
  4. Probe the ignition feed circuit at the A/C relay terminal (switch side of relay) with the test lamp J 35616-200 connected to ground. Refer to Probing Electrical Connectors in Wiring Systems.

Does the test lamp illuminate?

--

Go to Step 5

Go to Step 9

5

Important: For underhood electrical center relay terminal identification refer to Electrical Center Identification Views in Wiring Systems.

Jumper the ignition feed circuit to the A/C clutch status circuit (load) at the underhood electrical center 2 using a fused jumper wire. Refer to Using Fused Jumper Wires in Wiring Systems.

Does the A/C clutch engage?

--

Go to Step 6

Go to Step 10

6

Monitor the A/C Status display on the using the scan tool with the fused jumper still installed.

Does the scan tool indicate the A/C Status as ON?

--

Go to Step 7

Go to Step 8

7

Repair the faulty A/C clutch relay connection or replace the faulty A/C clutch relay. Refer to Repairing Connector Terminals in Wiring Systems. Or Compressor Relay Replacement in Heating, Ventillation, and Air Conditioning.

Is the action complete?

--

Go to Step 12

--

8

Repair the poor connection or open A/C clutch status circuit from the splice to the PCM. Refer to Wiring Repairs or Repairing Connector Terminals in Wiring Systems.

Did you find and repair the condition?

--

Go to Step 12

Go to Step 11

9

Repair the open ignition feed circuit to A/C relay. Refer to Wiring Repairs in Wiring Systems.

Is the action complete?

--

Go to Step 12

--

10

Repair the open in A/C status circuit from A/C relay to splice. Refer to Wiring Repairs in Wiring Systems.

Is the action complete?

--

Go to Step 12

--

11

Important:: Program the replacement PCM. Refer to Powertrain Control Module Replacement/Programming

Replace the PCM.

Is the action complete?

--

Go to Step 12

--

12

  1. Select the Diagnostic Trouble Code (DTC) option and the Clear DTC Information option using the scan tool.
  2. Idle the engine at the normal operating temperature.
  3. Select the Diagnostic Trouble Code (DTC) option and the Specific DTC option, then enter the DTC number using the scan tool.
  4. Operate the vehicle within the Conditions for Running the DTC as specified in the supporting text, if applicable.

Does the scan tool indicate that this failed?

--

Go to Step 2

Go to Step 13

13

Select the Capture Info option and the Review Info option using the scan tool.

Are any DTCs displayed that have not been diagnosed?

--

Go to the applicable DTC table

System OK