GM Service Manual Online
For 1990-2009 cars only
Makes
🢒
Pontiac
🢒
2001
🢒
Firebird
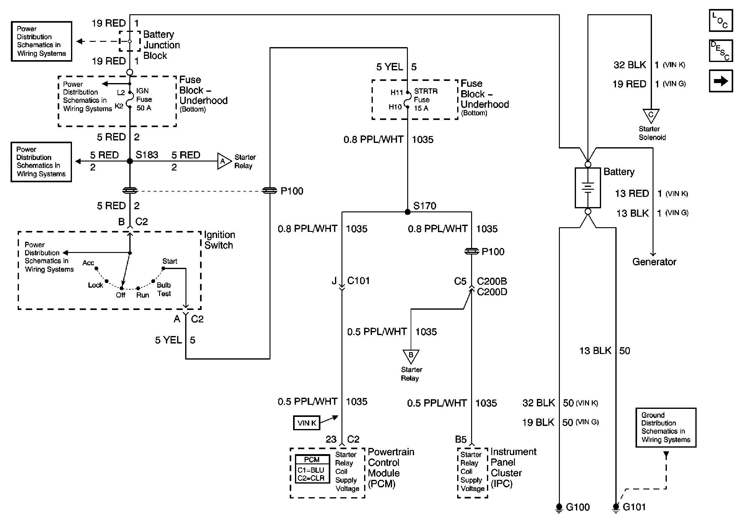
🢒 Battery and Ignition Switch
Battery and Ignition Switch
Battery and Ignition Switch
Master Electrical Component List
Starting System Description and Operation
Battery, ABS BAT-1 and COOL FAN Fuses
Fusible Links, CIG/ACCY, ENG CTRL, IGN, I/P-1, I/P-2, and PWR ACCY Fuses
Ignition Switch
Ignition Switch
Starter Relay and Starter Solenoid
Starter Relay and Starter Solenoid
Battery, Generator and Powertrain Control Module
Powertrain Control Module Connector End Views
Starter Relay and Starter Solenoid
G100, G101, G102, G109, G111, G202