GM Service Manual Online
For 1990-2009 cars only
Makes
🢒
Pontiac
🢒
2001
🢒
Firebird
🢒 Engine Sensors
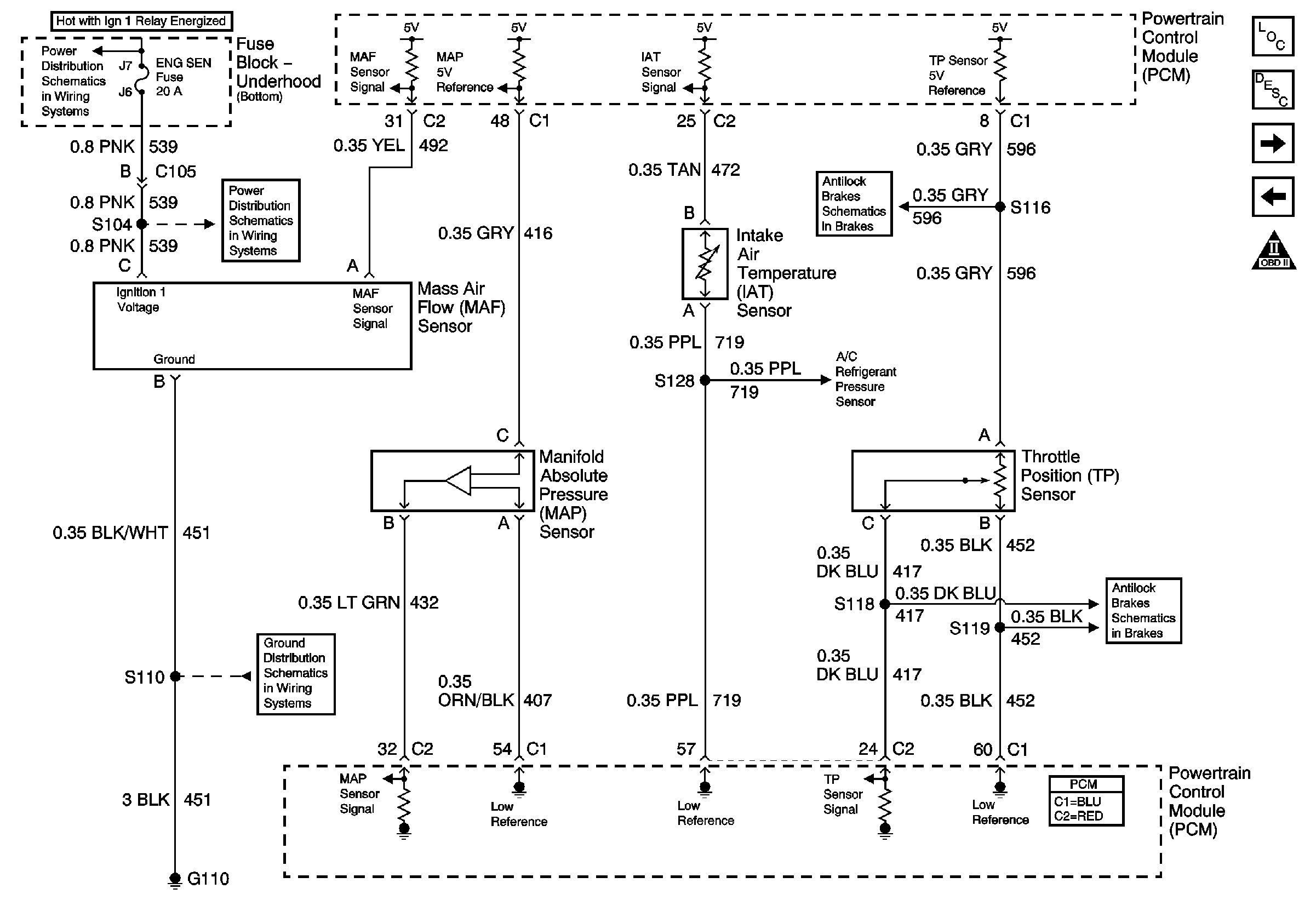
Engine Sensors
Engine Sensors
Master Electrical Component List
Powertrain Control Module Description
Oxygen Sensors
Fuel Injectors
OBD II Symbol Description Notice
Powertrain Control Module Connector End Views
ENG SEN Fuse
ENG SEN Fuse
Antilock Brake System Schematics
A/C Compressor Control
Antilock Brake System Schematics
G110 V8 VIN G