GM Service Manual Online
For 1990-2009 cars only
Makes
🢒
Pontiac
🢒
2001
🢒
Firebird
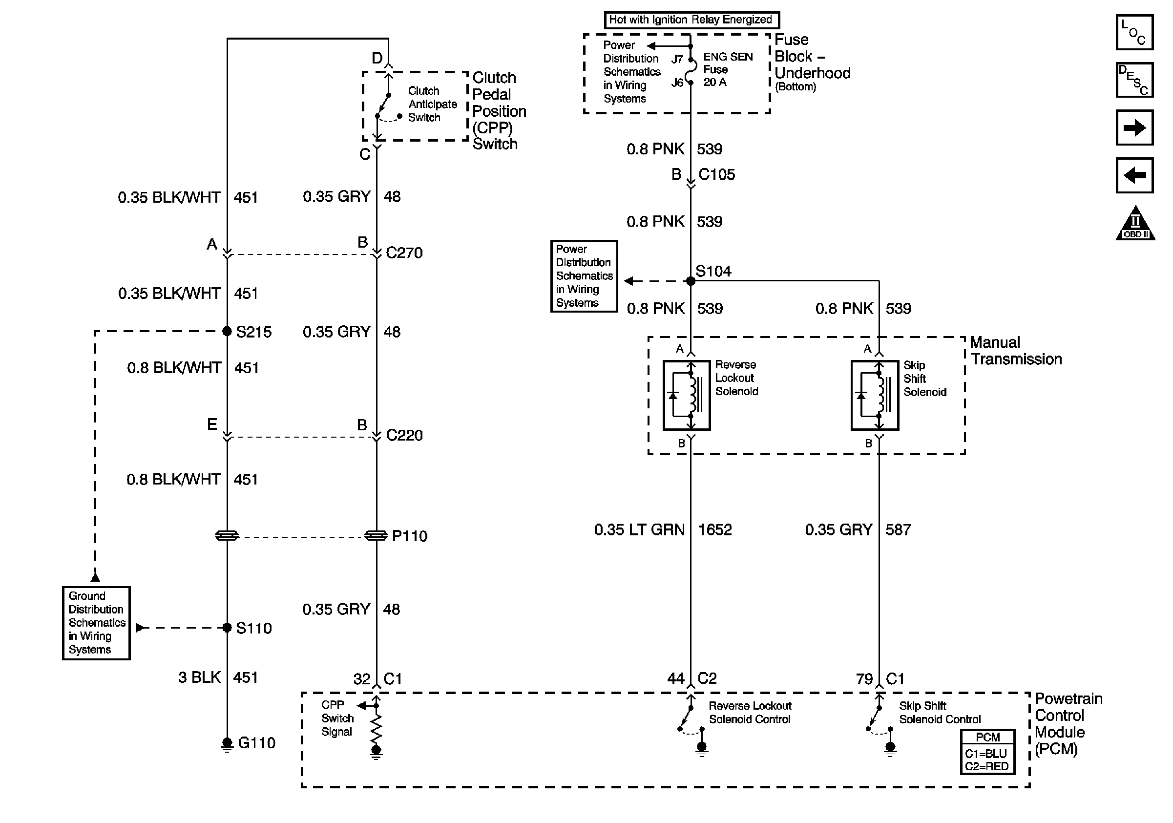
🢒 Cruise Control Clutch Switch and Manual Transmission
Cruise Control Clutch Switch and Manual Transmission
Cruise Control Clutch Switch and Manual Transmission
Master Electrical Component List
Powertrain Control Module Description
Automatic Transmission and Stop Lamp Switch
Cruise Control Module, ECT Sensor, Engine Oil Level Switch and Generator
OBD II Symbol Description Notice
ENG SEN Fuse
ENG SEN Fuse
G110 V8 VIN G
Powertrain Control Module Connector End Views