GM Service Manual Online
For 1990-2009 cars only
Makes
🢒
Pontiac
🢒
2001
🢒
Firebird
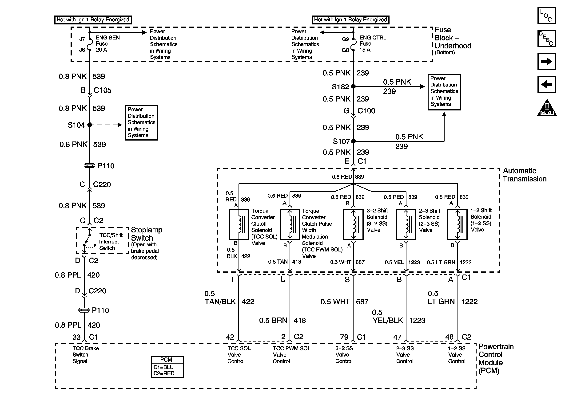
🢒 Automatic Transmission and Stop Lamp Switch
Automatic Transmission and Stop Lamp Switch
Automatic Transmission and Stop Lamp Switch
Master Electrical Component List
Powertrain Control Module Description
Automatic Transmission and Park/Neutral Position Switch
Cruise Control Clutch Switch and Manual Transmission
OBD II Symbol Description Notice
ENG SEN Fuse
ENG CTRL Fuse
ENG SEN Fuse
ENG CTRL Fuse
Powertrain Control Module Connector End Views