GM Service Manual Online
For 1990-2009 cars only
Makes
🢒
Pontiac
🢒
2001
🢒
Firebird
🢒 Automatic Transmission and Park/Neutral Position Switch
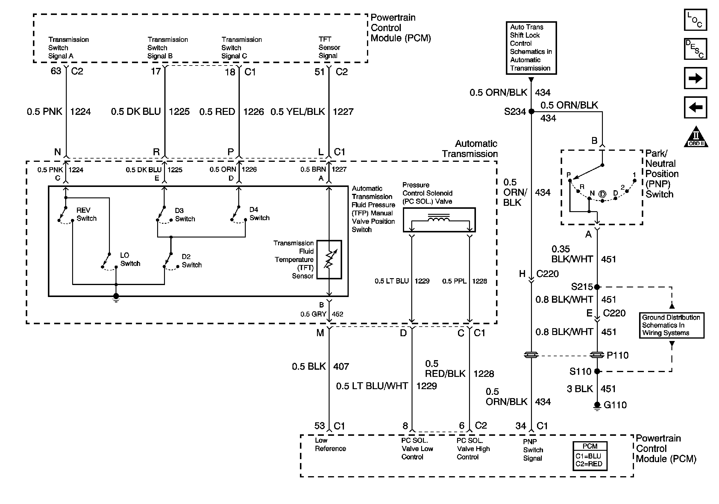
Automatic Transmission and Park/Neutral Position Switch
Automatic Transmission and Park/Neutral Position Switch
Master Electrical Component List
Powertrain Control Module Description
A/C Compressor Control
Automatic Transmission and Stop Lamp Switch
OBD II Symbol Description Notice
AT Shift Lock Control Actuator Solenoid, and Diode
Powertrain Control Module Connector End Views