GM Service Manual Online
For 1990-2009 cars only
Makes
🢒
Pontiac
🢒
2002
🢒
Firebird
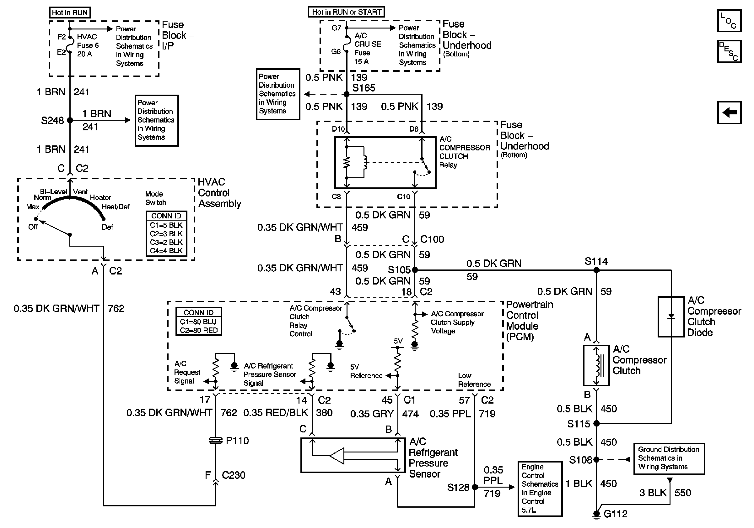
🢒 Compressor Controls - V8 LS1
Compressor Controls - V8 LS1
Compressor Controls (V8 LS1)
Master Electrical Component List
Air Temperature Description and Operation
Compressor Controls - V6 L36
ETC and A/C CRUISE Fuses
ETC and A/C CRUISE Fuses
HVAC and TURN B/U Fuses
HVAC and TURN B/U Fuses
Engine Data Sensors-Pressure and Temperature
G112 V8 LS1