GM Service Manual Online
For 1990-2009 cars only
Makes
🢒
Pontiac
🢒
2002
🢒
Firebird
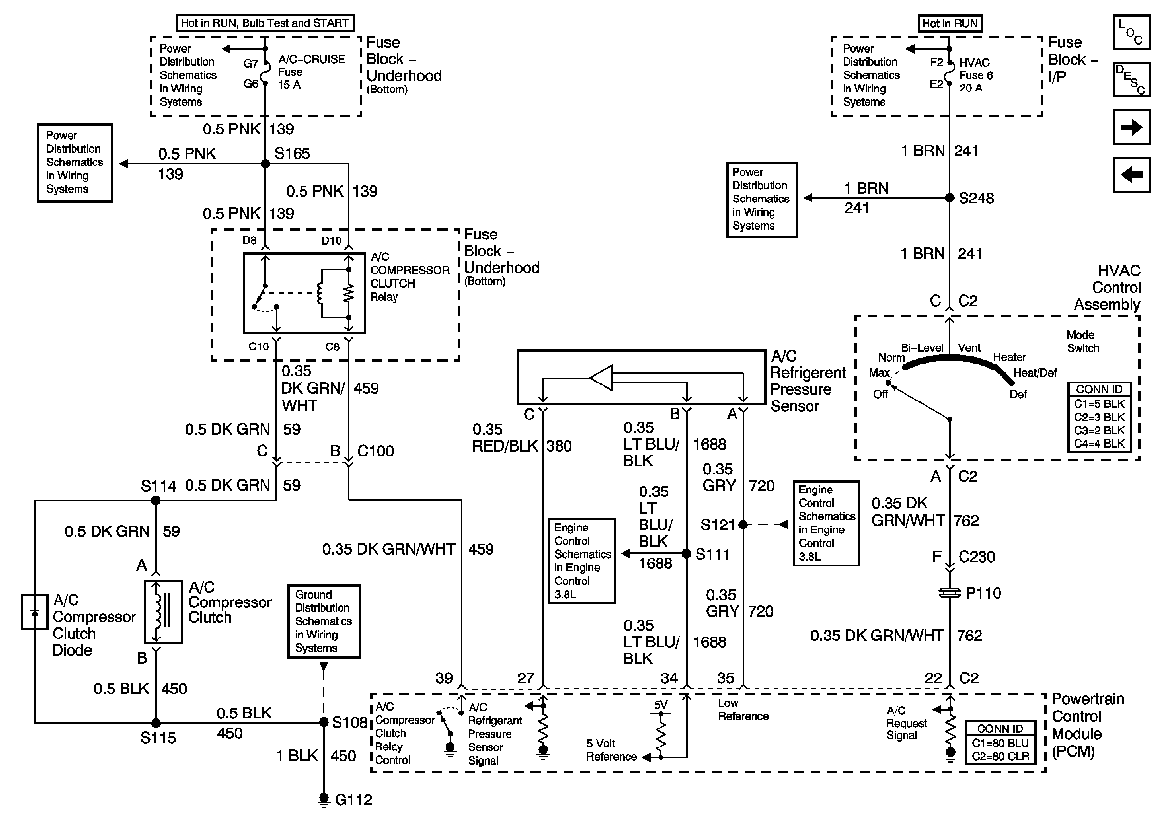
🢒 Compressor Controls - V6 L36
Compressor Controls - V6 L36
Compressor Controls (V6 L36)
Master Electrical Component List
Air Temperature Description and Operation
Compressor Controls - V8 LS1
Blower Controls
ETC and A/C CRUISE Fuses
ETC and A/C CRUISE Fuses
HVAC and TURN B/U Fuses
HVAC and TURN B/U Fuses
Fuel Controls-Fuel Pump Controls
Fuel Controls-Fuel Pump Controls
G112 V8 LS1