GM Service Manual Online
For 1990-2009 cars only
Makes
🢒
Pontiac
🢒
2002
🢒
Firebird
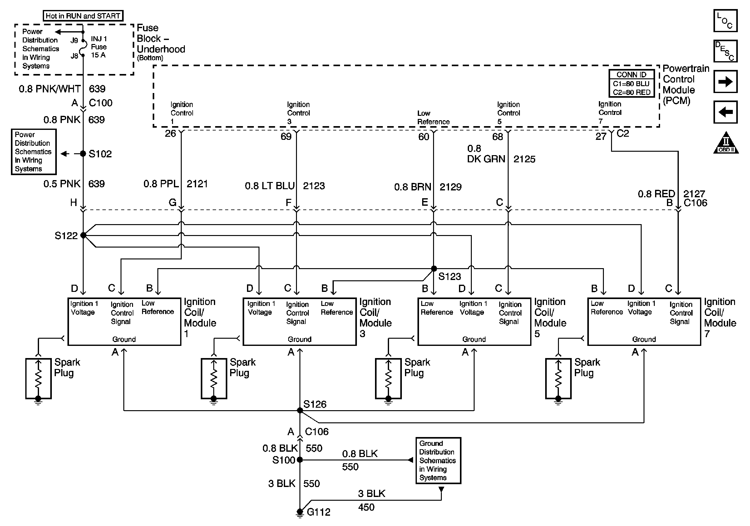
🢒 Ignition Controls-Ignition System 1,3,5,7
Ignition Controls-Ignition System 1,3,5,7
Ignition Controls Ignition System 1,3,5,7
Master Electrical Component List
Electronic Ignition (EI) System Description
Ignition Controls-Ignition System 2,4,6,8
Engine Data Sensors-HO2S
OBD II Symbol Description Notice
INJ 1 Fuse
INJ 1 Fuse
G112 V8 LS1