GM Service Manual Online
For 1990-2009 cars only
Makes
🢒
Pontiac
🢒
2002
🢒
Firebird
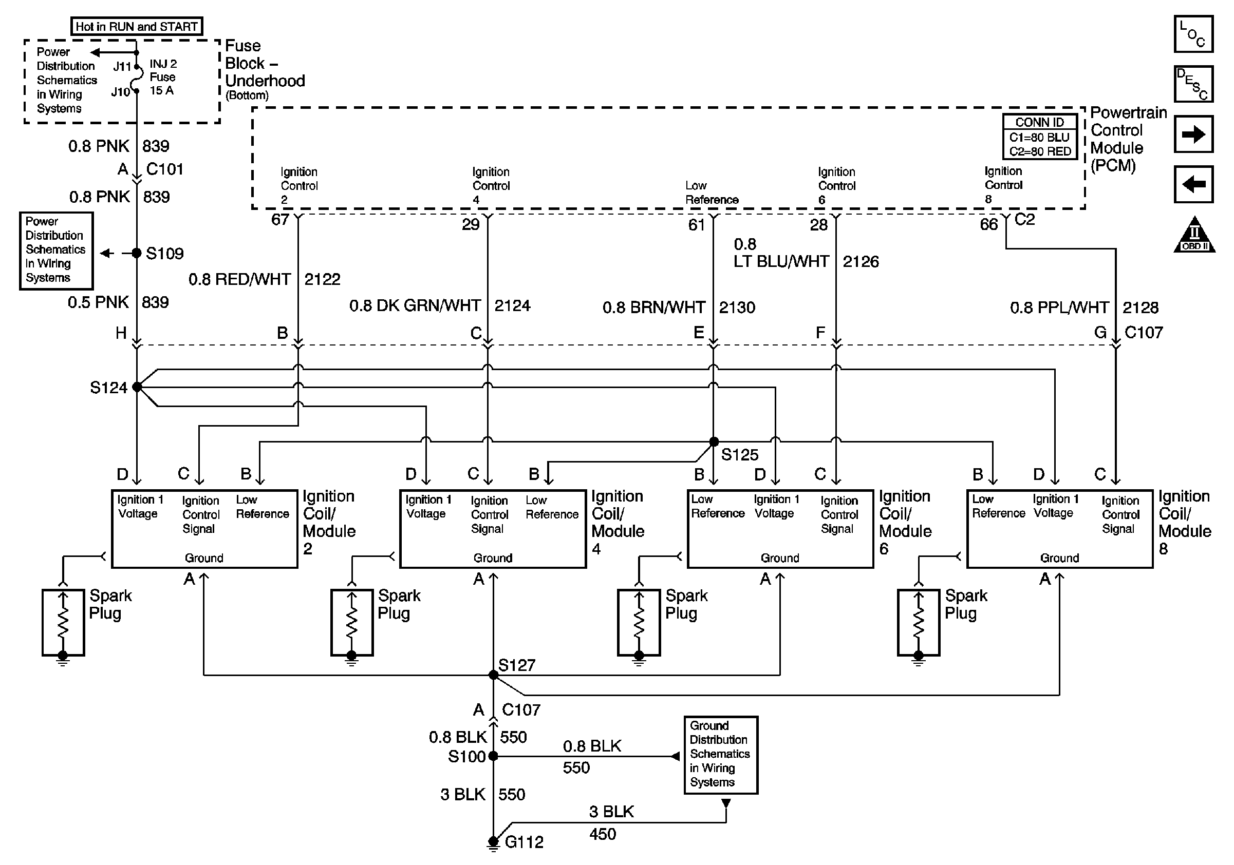
🢒 Ignition Controls-Ignition System 2,4,6,8
Ignition Controls-Ignition System 2,4,6,8
Ignition Controls Ignition System 2,4,6,8
Master Electrical Component List
Electronic Ignition (EI) System Description
Ignition Controls Sensors
Ignition Controls-Ignition System 1,3,5,7
OBD II Symbol Description Notice
INJ 2 Fuse
INJ 2 Fuse
G112 V8 LS1