GM Service Manual Online
For 1990-2009 cars only
Makes
🢒
Pontiac
🢒
2002
🢒
Firebird
🢒 Ignition Controls Sensors
Ignition Controls Sensors
Ignition Controls Sensors
Master Electrical Component List
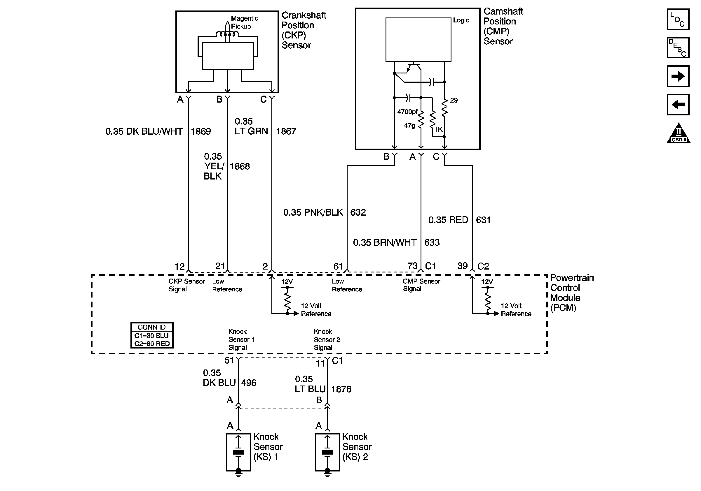
Knock Sensor (KS) System Description
Fuel Controls-Fuel Pump Controls
Ignition Controls-Ignition System 2,4,6,8
OBD II Symbol Description Notice