GM Service Manual Online
For 1990-2009 cars only
Makes
🢒
Pontiac
🢒
2002
🢒
Firebird
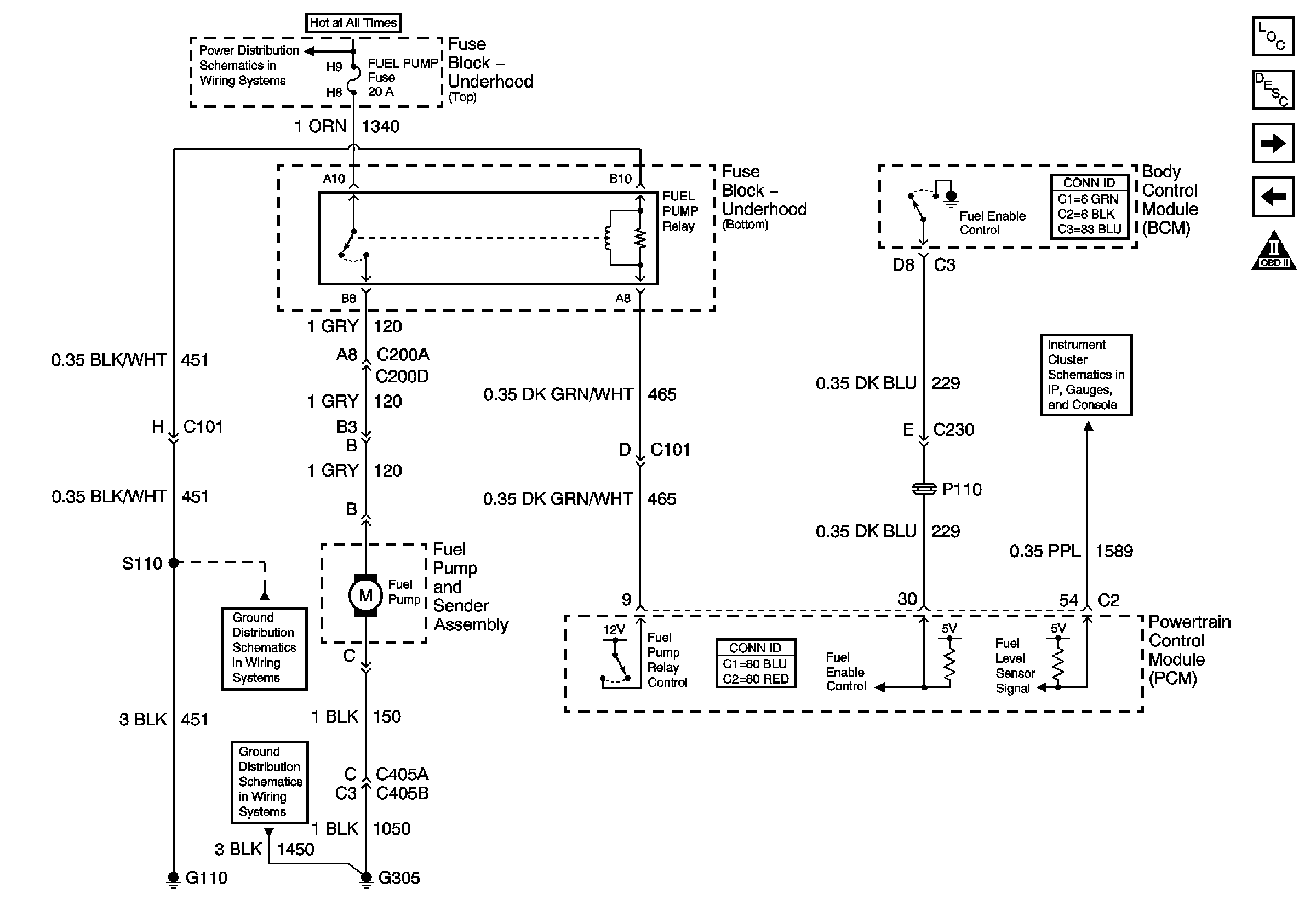
🢒 Fuel Controls-Fuel Pump Controls
Fuel Controls-Fuel Pump Controls
Fuel Controls Fuel Pump Controls
Master Electrical Component List
Fuel System Description
Fuel Controls-Fuel Injectors
Ignition Controls Sensors
OBD II Symbol Description Notice
ENG CTRL, FUEL PUMP, AIR PUMP and PCM BAT Fuses
G110 V6 L36
G305, G310, G320
Engine Coolant Temperature Gauge, Engine Oil Pressure Gauge and Fuel Level Gauge