GM Service Manual Online
For 1990-2009 cars only
Makes
🢒
Pontiac
🢒
2002
🢒
Firebird
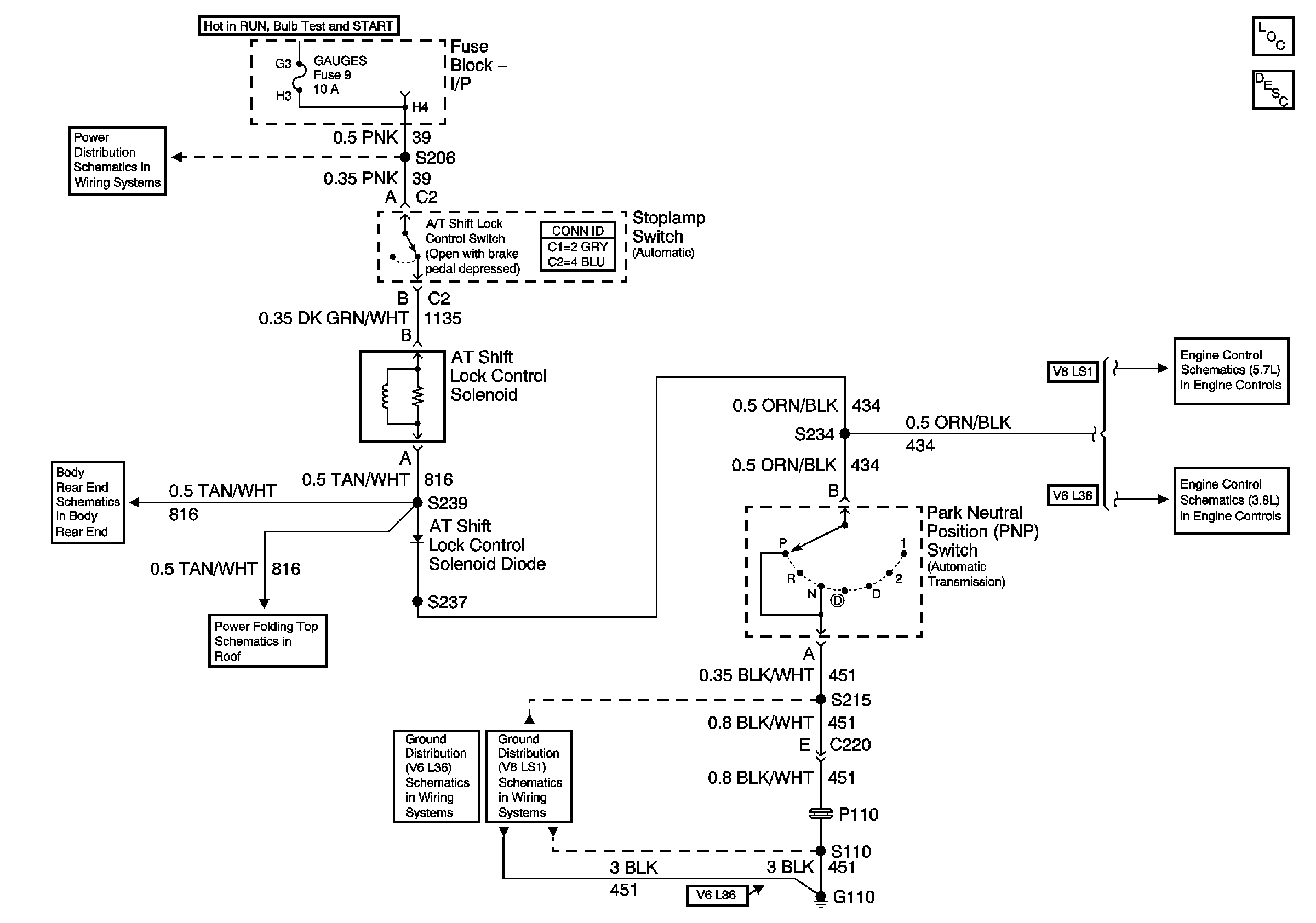
🢒 Shift Lock Control Schematic
Shift Lock Control Schematic
Master Electrical Component List
Automatic Transmission Shift Lock Control Description and Operation
Transmission Controls-M/T and A/T
Transmission Controls-M/T and A/T
G110 V6 L36
G110 V6 L36
Folding Top Relay Control
Rear Compartment Lid Release Relay Enable
AIR BAG and GAUGES Fuses