GM Service Manual Online
For 1990-2009 cars only
Makes
🢒
Pontiac
🢒
2002
🢒
Firebird
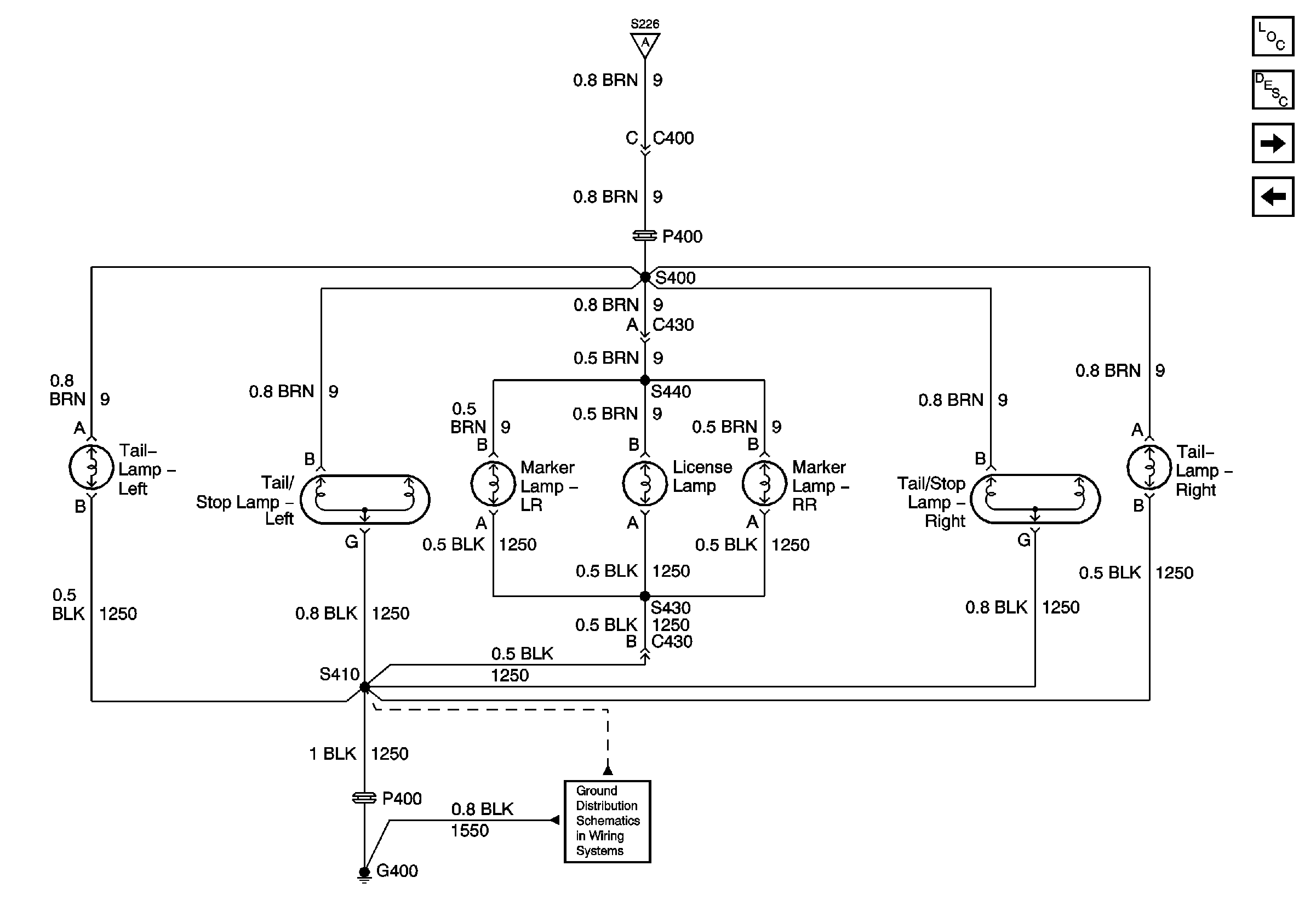
🢒 Rear Parklamps Chevrolet Domestic and Gulf
Rear Parklamps Chevrolet Domestic and Gulf
Rear Parklamps - Chevrolet - Domestic and Gulf
Master Electrical Component List
Exterior Lighting Systems Description and Operation
Turn Signal Control Chevrolet Domestic and Gulf
Front Parklamps Chevrolet Domestic and Gulf
Front Parklamps Chevrolet Domestic and Gulf
G400 Chevrolet