GM Service Manual Online
For 1990-2009 cars only
Makes
🢒
Pontiac
🢒
2002
🢒
Firebird
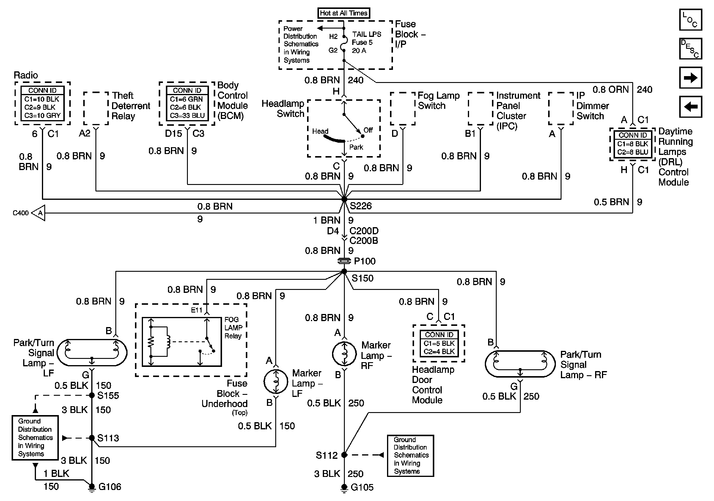
🢒 Front Park Lamps Pontiac
Front Park Lamps Pontiac
Front Park Lamps - Pontiac
Master Electrical Component List
Exterior Lighting Systems Description and Operation
Rear Park Lamps Pontiac
Stoplamps Chevrolet Domestic and Gulf
I/P-2,TAIL LPS, STOP/HAZARD,PWR ACCY and CIG/ACCY Fuses
Rear Park Lamps Pontiac
G106
G105