GM Service Manual Online
For 1990-2009 cars only
Makes
🢒
Pontiac
🢒
2002
🢒
Firebird
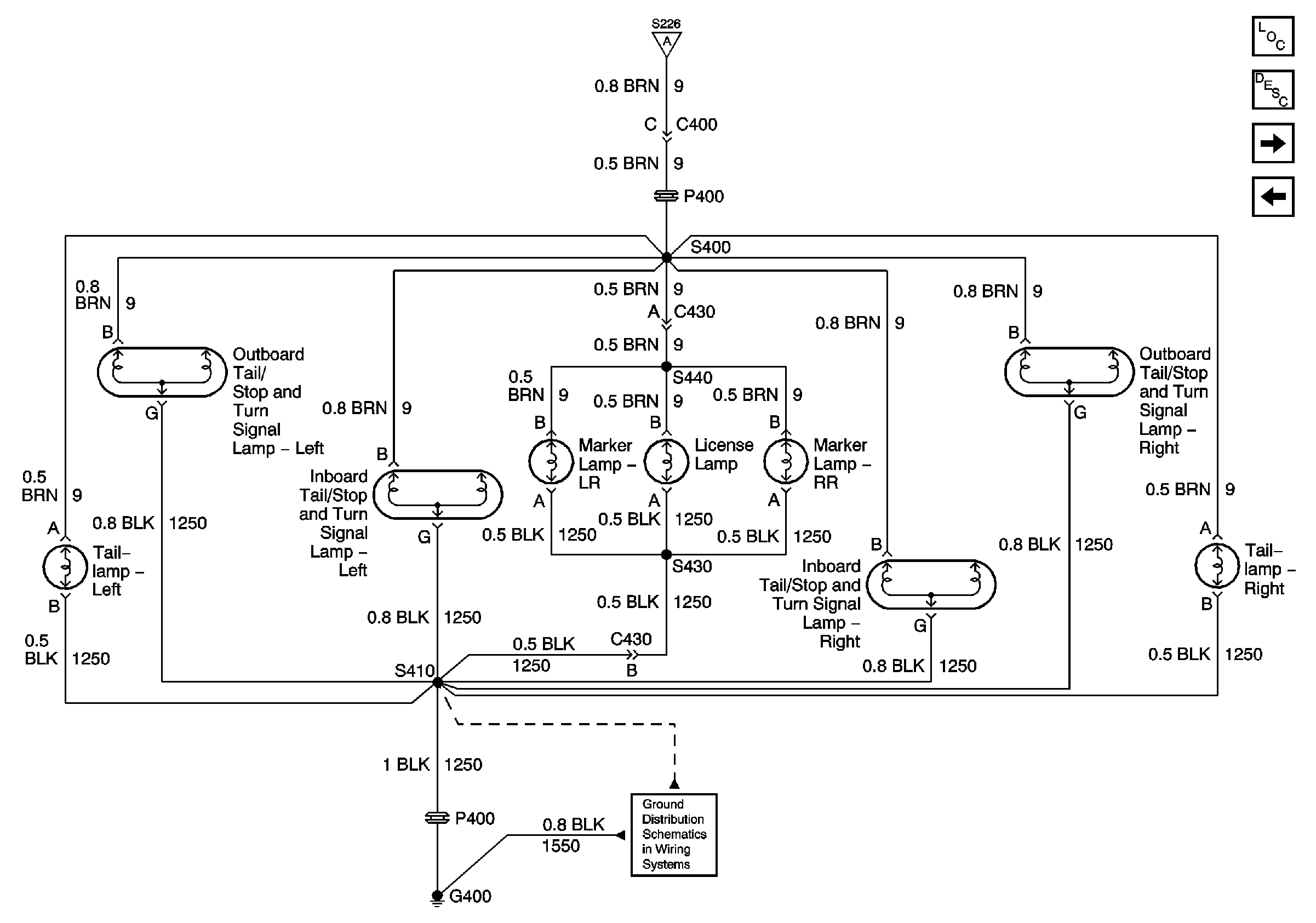
🢒 Rear Park Lamps Pontiac
Rear Park Lamps Pontiac
Rear Park Lamps - Pontiac
Master Electrical Component List
Exterior Lighting Systems Description and Operation
Turn Signal Controls Pontiac
Front Park Lamps Pontiac
Front Park Lamps Pontiac
G400 Chevrolet