GM Service Manual Online
For 1990-2009 cars only
Makes
🢒
Pontiac
🢒
2002
🢒
Firebird
🢒 Controls V8 LS1
Controls V8 LS1
Controls -- V8 LS1
Master Electrical Component List
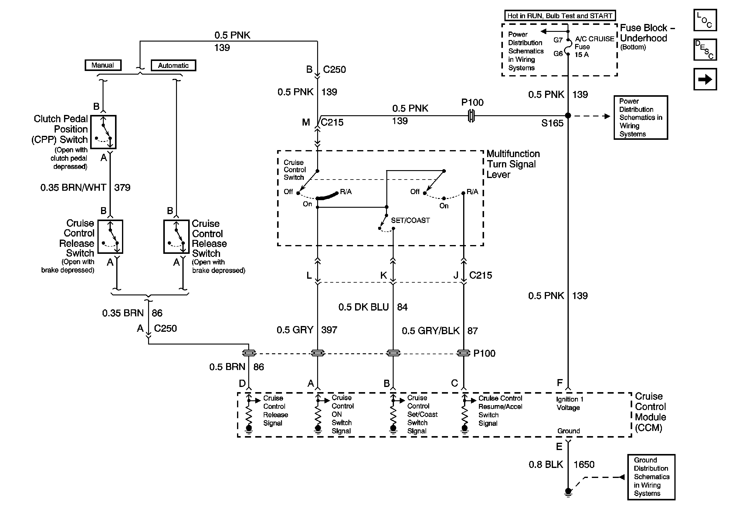
Cruise Control Description and Operation W/ETC
Release/Inhibit Signals V8 LS1
ETC and A/C CRUISE Fuses
ETC and A/C CRUISE Fuses
G100, G101, G102, G109, G111, G202