GM Service Manual Online
For 1990-2009 cars only
Makes
🢒
Pontiac
🢒
2002
🢒
Firebird
🢒 Rear Compartment Lid Release/Ajar Controls
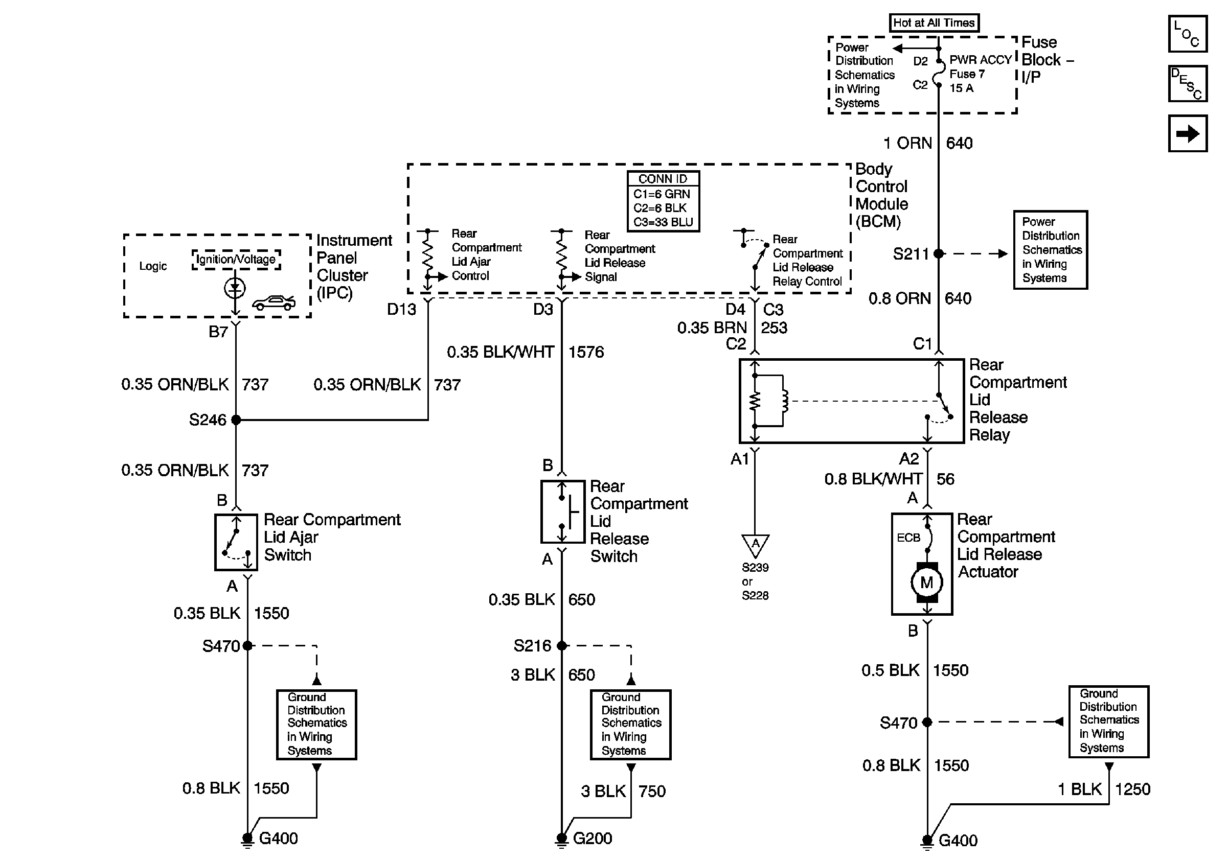
Rear Compartment Lid Release/Ajar Controls
Rear Compartment Lid Release/Ajar Controls
Master Electrical Component List
Luggage Compartment Description and Operation
Rear Compartment Lid Release Relay Enable
I/P-2,TAIL LPS, STOP/HAZARD,PWR ACCY and CIG/ACCY Fuses
I/P-2,TAIL LPS, STOP/HAZARD,PWR ACCY and CIG/ACCY Fuses
Rear Compartment Lid Release Relay Enable
G400 Coupe and Convertible
G200 Page 1 of 3
G400 Coupe and Convertible