GM Service Manual Online
For 1990-2009 cars only
Makes
🢒
Pontiac
🢒
2002
🢒
Firebird
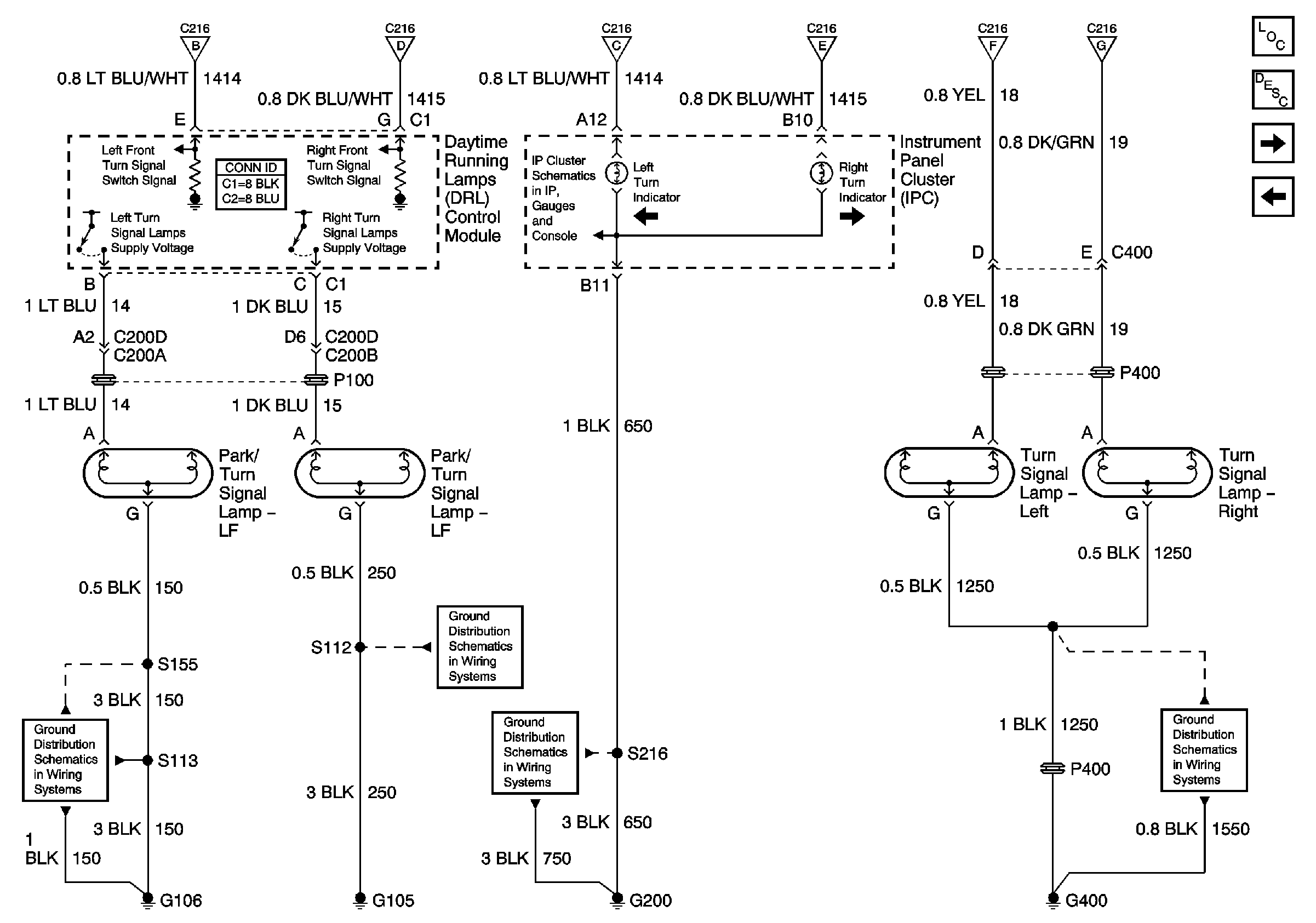
🢒 Turn Signal Lamps Chevrolet Domestic and Gulf
Turn Signal Lamps Chevrolet Domestic and Gulf
Turn Signal Lamps - Chevrolet - Domestic and Gulf
Master Electrical Component List
Exterior Lighting Systems Description and Operation
Stoplamps Chevrolet Domestic and Gulf
Turn Signal Control Chevrolet Domestic and Gulf
Turn Signal Control Chevrolet Domestic and Gulf
Turn Signal Control Chevrolet Domestic and Gulf
Turn Signal Control Chevrolet Domestic and Gulf
Turn Signal Control Chevrolet Domestic and Gulf
Turn Signal Control Chevrolet Domestic and Gulf
Turn Signal Control Chevrolet Domestic and Gulf
Lamp Indicators
G106
G105
G200 Page 1 of 3
G400 Chevrolet