GM Service Manual Online
For 1990-2009 cars only
Makes
🢒
Pontiac
🢒
2002
🢒
Firebird
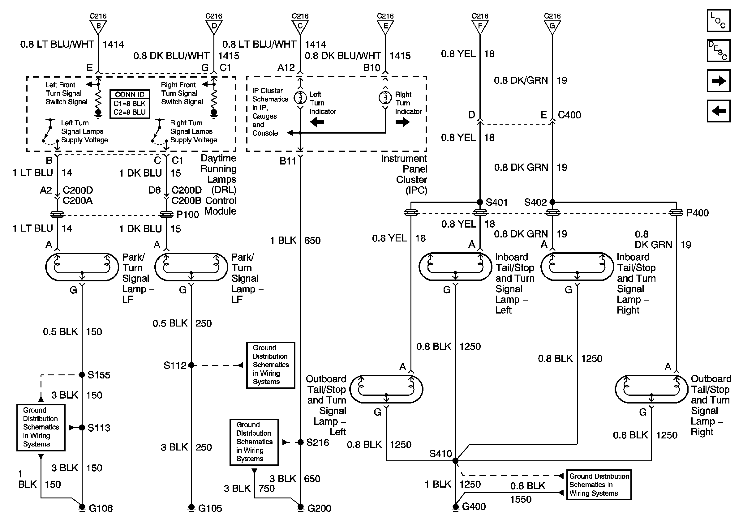
🢒 Turn Signal Lamps Pontiac
Turn Signal Lamps Pontiac
Turn Signal Lamps - Pontiac
Master Electrical Component List
Exterior Lighting Systems Description and Operation
Stoplamps Pontiac
Turn Signal Controls Pontiac
Turn Signal Controls Pontiac
Turn Signal Controls Pontiac
Turn Signal Controls Pontiac
Turn Signal Controls Pontiac
Turn Signal Controls Pontiac
Turn Signal Controls Pontiac
G106
G105
G200 Page 1 of 3
G400 Chevrolet