GM Service Manual Online
For 1990-2009 cars only
Makes
🢒
Pontiac
🢒
2002
🢒
Firebird
🢒 Stoplamps Pontiac
Stoplamps Pontiac
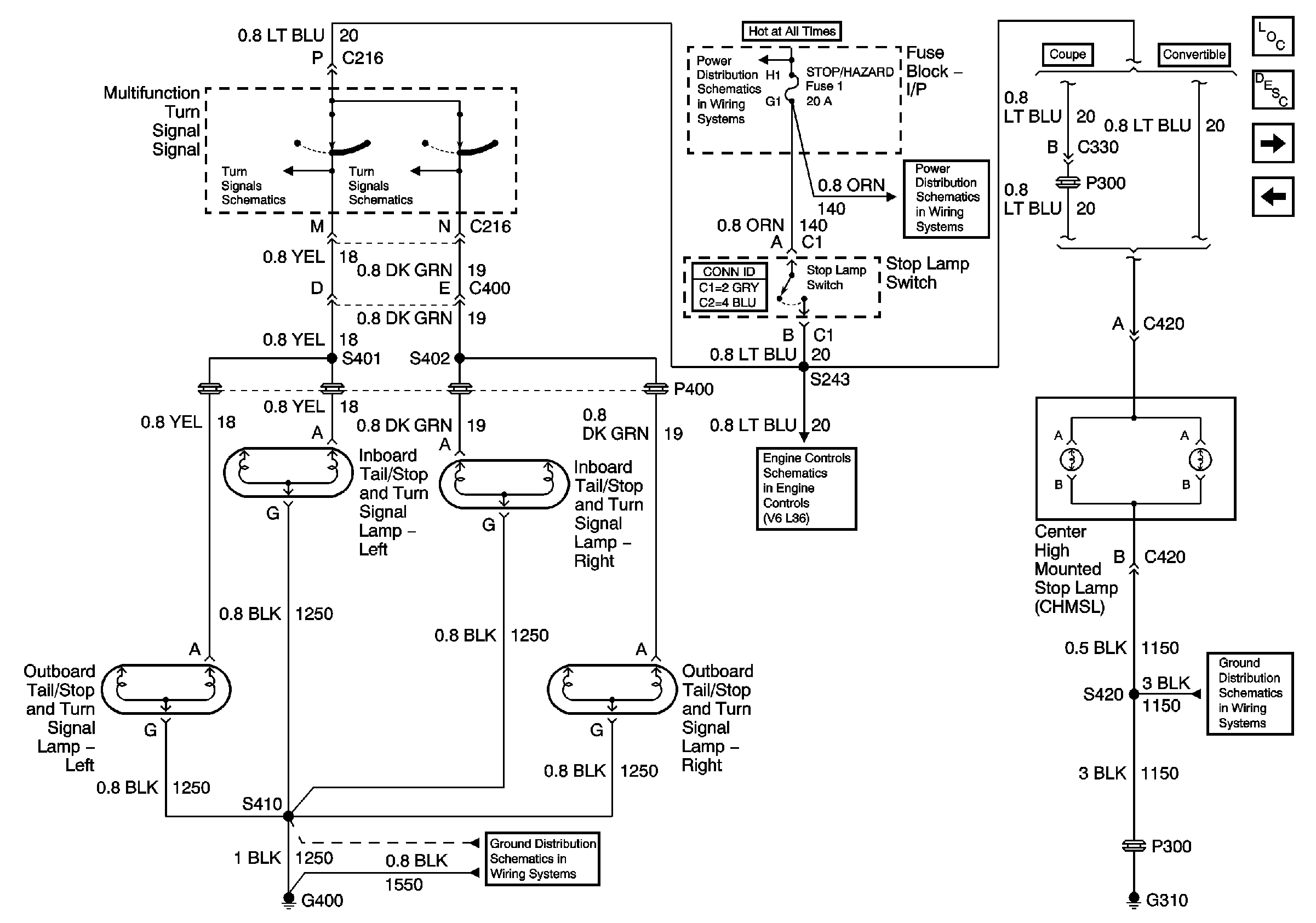
Stoplamps - Pontiac
Master Electrical Component List
Exterior Lighting Systems Description and Operation
Parklamps Chevrolet Europe and Scandanavia
Turn Signal Lamps Pontiac
I/P-2,TAIL LPS, STOP/HAZARD,PWR ACCY and CIG/ACCY Fuses
I/P-2,TAIL LPS, STOP/HAZARD,PWR ACCY and CIG/ACCY Fuses
Engine Data Sensors-Electronic Throttle Controls
G400 Chevrolet
G305, G310, G320