GM Service Manual Online
For 1990-2009 cars only
Makes
🢒
Pontiac
🢒
2007
🢒
G5
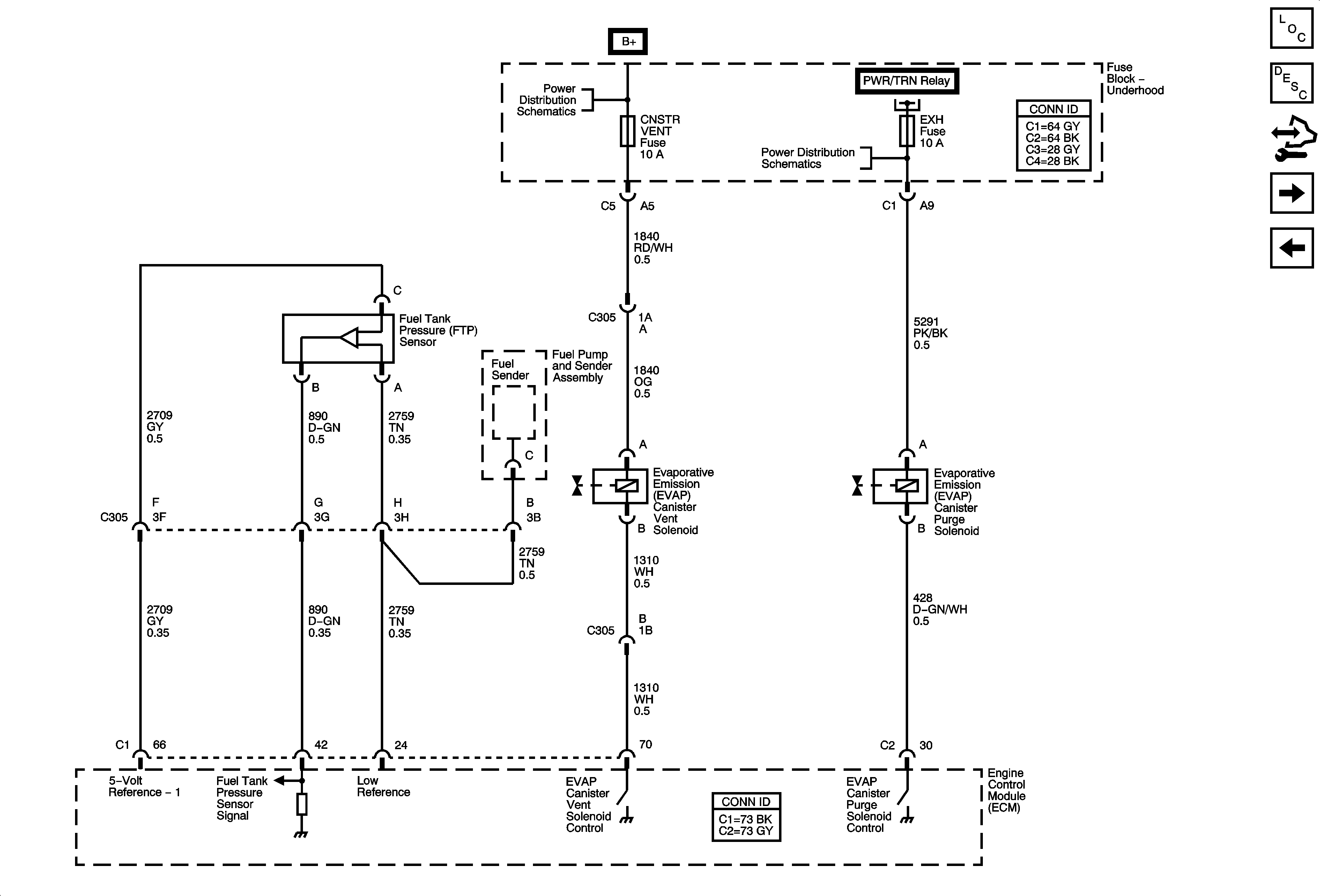
🢒 EVAP Controls
EVAP Controls
EVAP Controls
Master Electrical Component List
Evaporative Emission Control System Description
Control Module References
Controlled/Monitored Subsystem References
Fuel Controls, Injectors
Underhood Fuse Block Fuses- ABS, ABS2, BCK UP, CNSTR VENT, ECM/TRANS, EPS, HTD SEATS, IP IGN, LTR, MIR, PRK/NEUT, S-BAND/ONSTAR, and RUN/CRANK Relay
Underhood Fuse Block Fuses- EMISN, FUEL PMP, INJ, PCM/ECM, and FUEL PMP Relay and PWR/TRN Relay