GM Service Manual Online
For 1990-2009 cars only
Makes
🢒
Pontiac
🢒
2007
🢒
G5
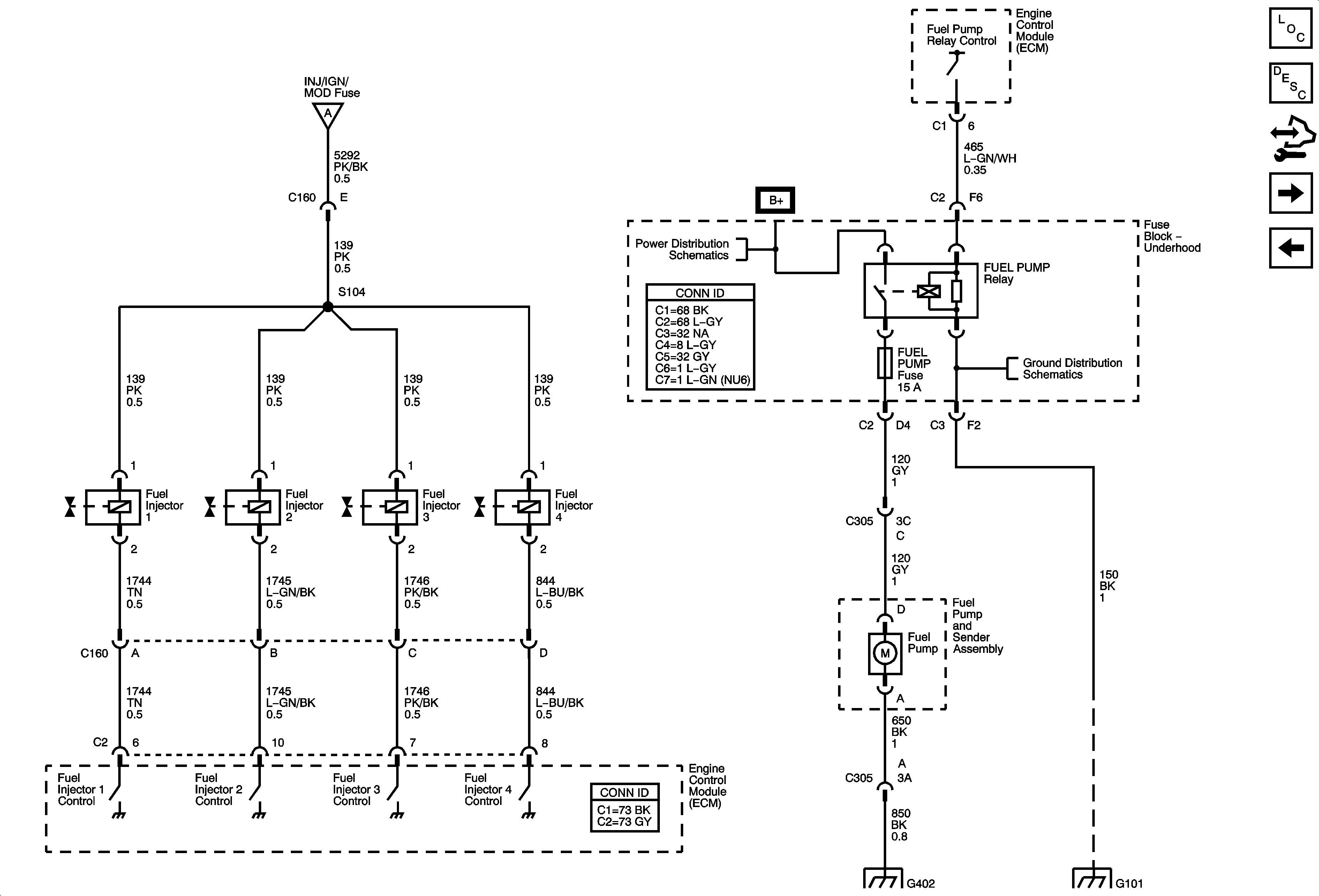
🢒 Fuel Controls, Injectors
Fuel Controls, Injectors
Fuel Controls, Injectors
Master Electrical Component List
Fuel System Description (RPO NT7)
Control Module References
EVAP Controls
Secondary Air Injection (AIR) System (NU6)
Ignition Controls - Ignition System
Underhood Fuse Block Fuses- EMISN, FUEL PMP, INJ, PCM/ECM, and FUEL PMP Relay and PWR/TRN Relay
G101, G102
G402, G403
G101, G102