GM Service Manual Online
For 1990-2009 cars only
Makes
🢒
Pontiac
🢒
2007
🢒
G5
🢒 Starting
Starting
Starting
Master Electrical Component List
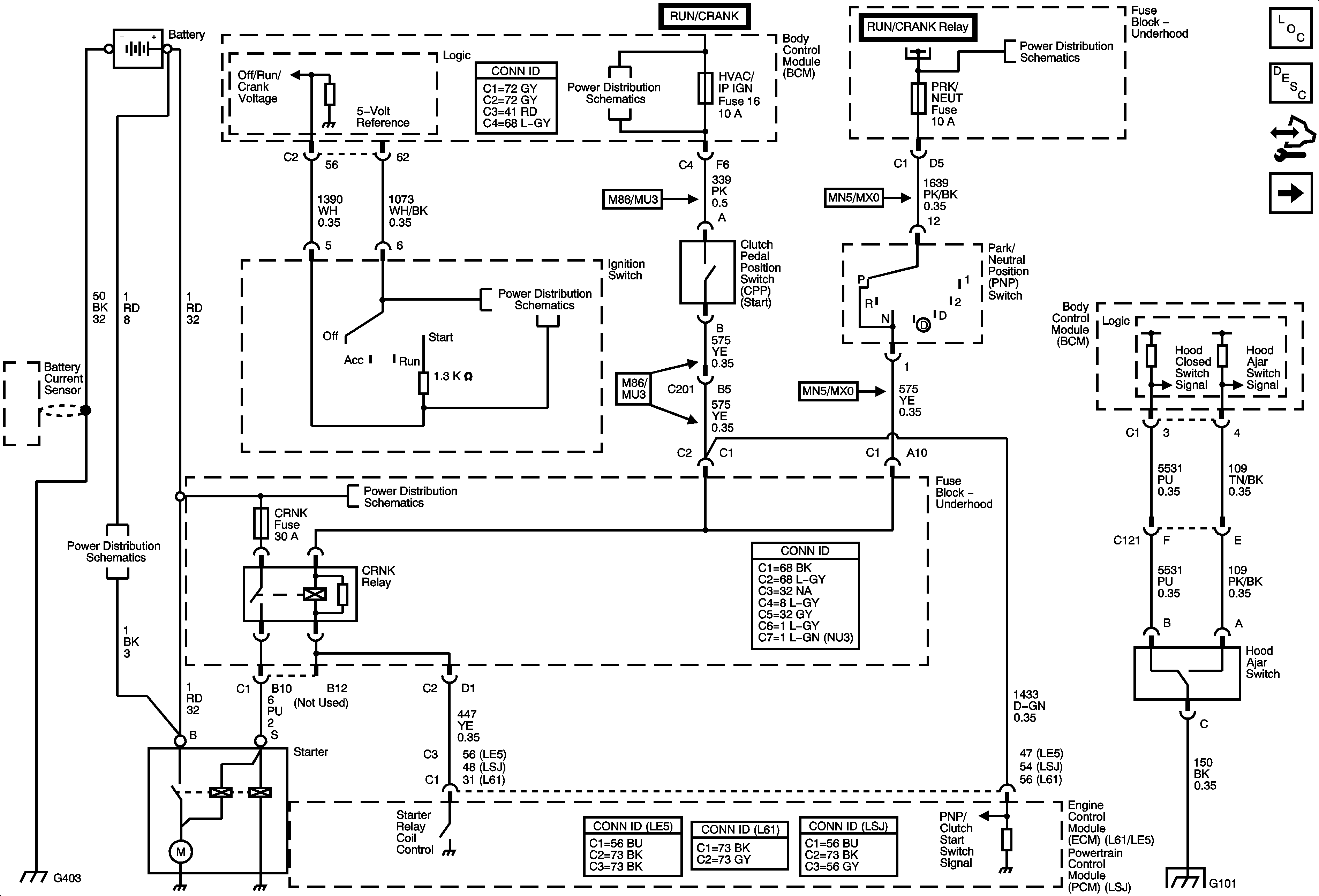
Starting System Description and Operation
Control Module References
Charging
Underhood Fuse Block Fuses- ABS, ABS2, BCK UP, CNSTR VENT, ECM/TRANS, EPS, HTD SEATS, IP IGN, LTR, MIR, PRK/NEUT, S-BAND/ONSTAR, and RUN/CRANK Relay
Underhood Fuse Block IP IGN Fuse, Body Control Module Fuses - AIRBAG, EPS/STR WHL CNTRL, HVAC/IP IGN, WPR
Body Control Module - AUDIO AMPLIFIER Fuse, BCM2 Fuse, CLUSTER Fuse, IGN SW Fuse, STOP LPS Fuse
Underhood Fuse Block Fuses- ABS, ABS2, BCK UP, CNSTR VENT, ECM/TRANS, EPS, HTD SEATS, IP IGN, LTR, MIR, PRK/NEUT, S-BAND/ONSTAR, and RUN/CRANK Relay
B+ Bussing, Underhood Fuse Block B+ Bus
B+ Bussing, Underhood Fuse Block B+ Bus
G402, G403