GM Service Manual Online
For 1990-2009 cars only
Makes
🢒
Pontiac
🢒
2007
🢒
G5
🢒 Charging
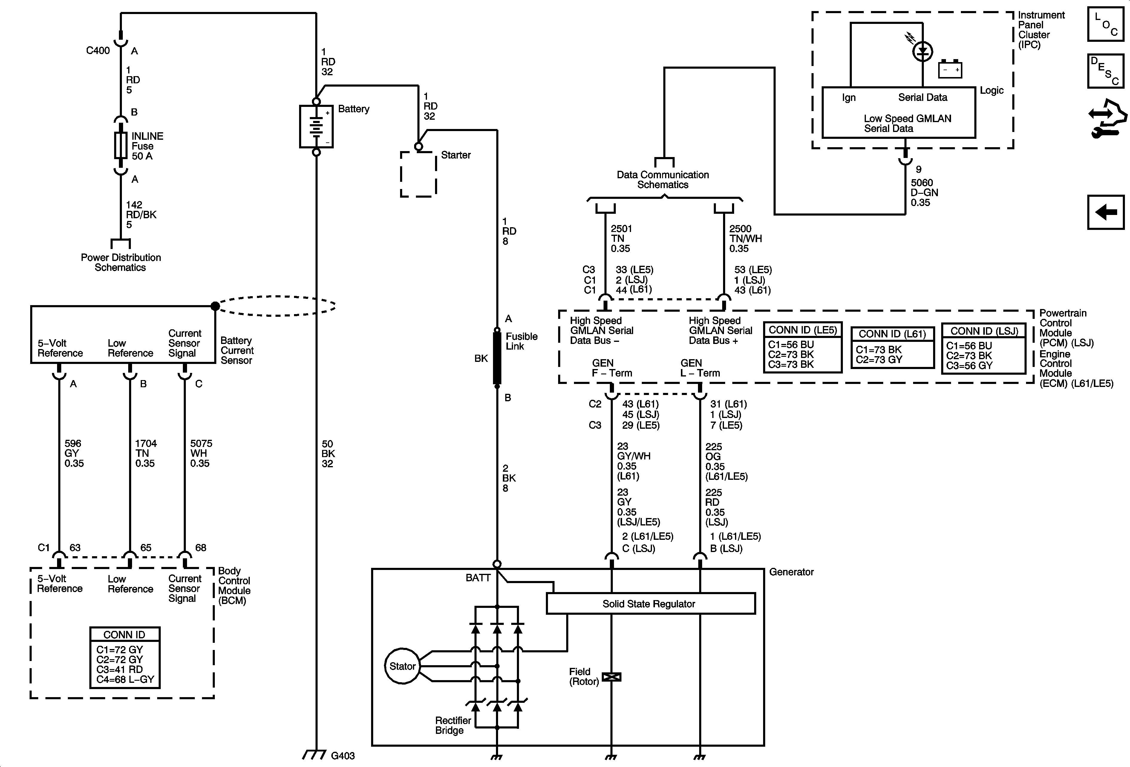
Charging
Charging
Master Electrical Component List
Charging System Description and Operation (w/RVC)
Control Module References
Starting
Power, Ground, Low Speed GMLAN
B+ Bussing, Underhood Fuse Block B+ Bus
G402, G403