GM Service Manual Online
For 1990-2009 cars only
Makes
🢒
Pontiac
🢒
2007
🢒
G6
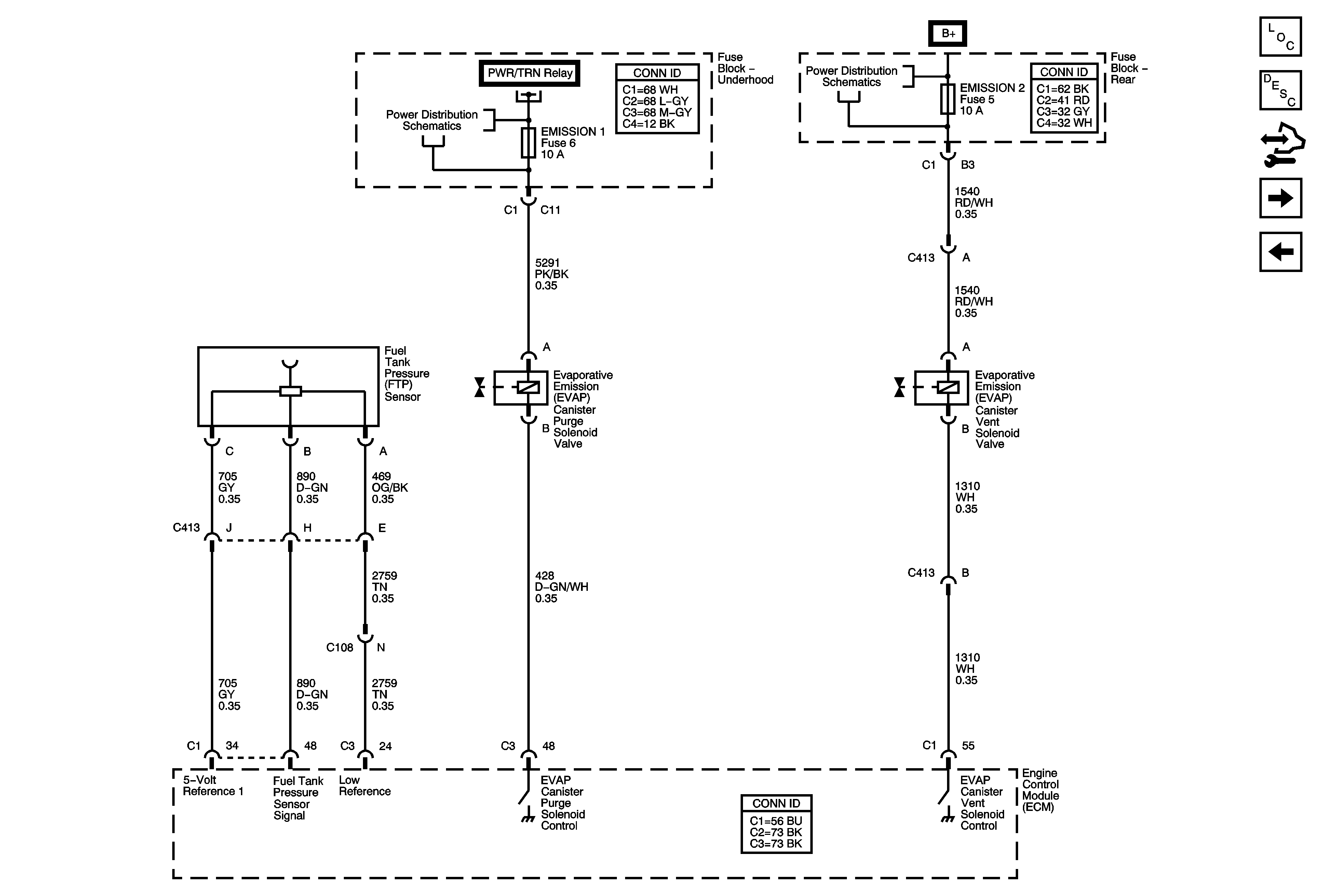
🢒 EVAP Controls and FTP Sensor
EVAP Controls and FTP Sensor
EVAP Controls and FTP Sensor
Master Electrical Component List
Evaporative Emission Control System Description
Control Module References
Controlled/Monitored Subsystem References
Fuel Injectors and Fuel Pump
Underhood Fuse Block A/C CLUTCH and PWR/TRN Relays, EMISSION 1, ETC, IGN MOD and IMTV/DOD Fuses
Underhood Fuse Block RBEC 2 Fuse and RUN RLY, BCM HVAC BLOWER HIGH and RUN Relays, HVAC BLOWER and HVAC CTRL (IGN) Fuses, Rear Fuse Block FUEL, PARK LPS and TRUNK Relays, DRV ST, EMISSION 2, FOLDING T