GM Service Manual Online
For 1990-2009 cars only
Makes
🢒
Pontiac
🢒
2007
🢒
G6
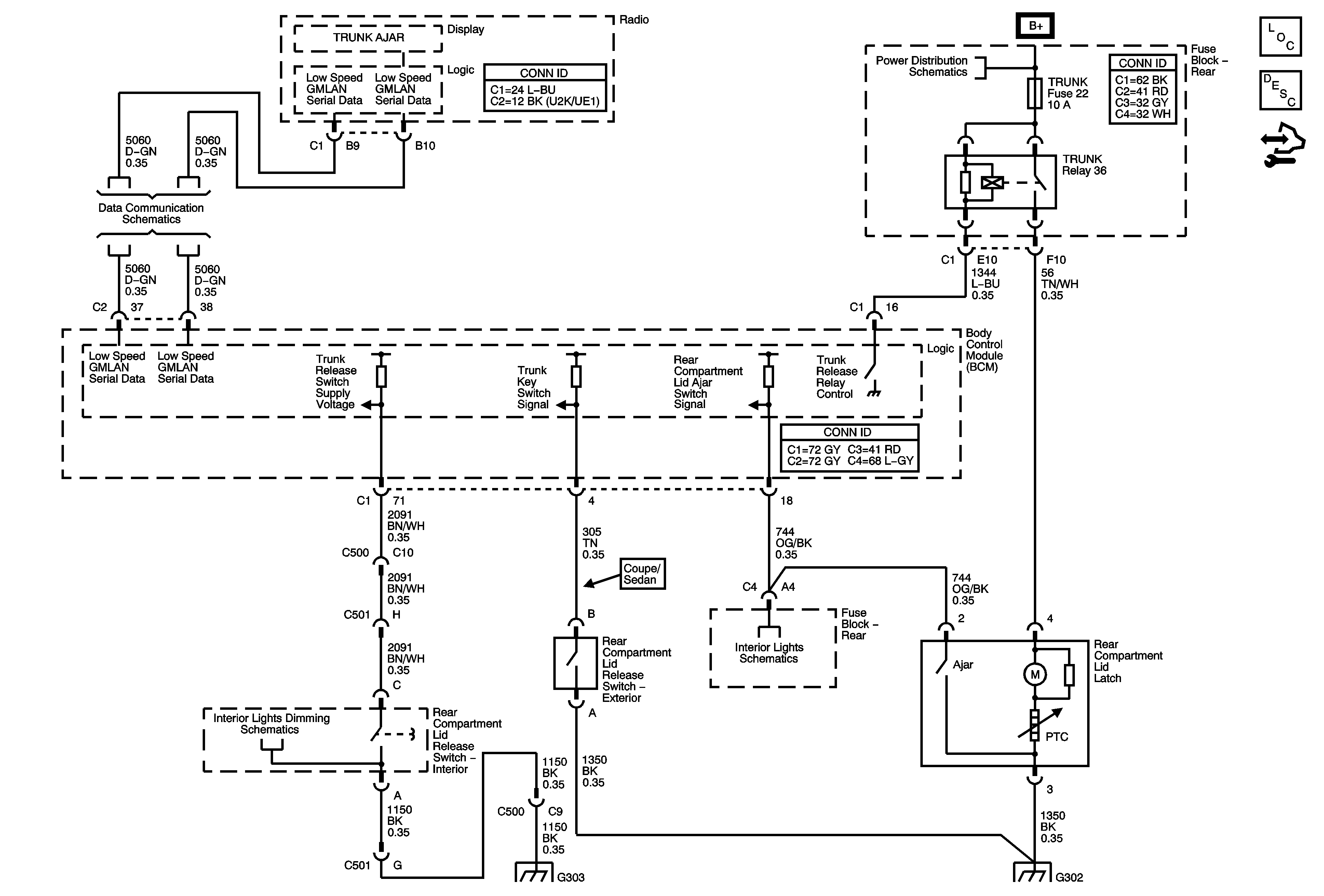
🢒 Release Systems Schematics
Release Systems Schematics
Master Electrical Component List
Luggage Compartment Description and Operation (Sedan)
Control Module References
Low Speed GMLAN Serial Data (1 of 2)
Underhood Fuse Block RBEC 2 Fuse and RUN RLY, BCM HVAC BLOWER HIGH and RUN Relays, HVAC BLOWER and HVAC CTRL (IGN) Fuses, Rear Fuse Block FUEL, PARK LPS and TRUNK Relays, DRV ST, EMISSION 2, FOLDING T
Steering Wheel and Doors
G303
G302