GM Service Manual Online
For 1990-2009 cars only
Makes
🢒
Pontiac
🢒
2007
🢒
G6
🢒 Inputs
Inputs
Inputs
Master Electrical Component List
Interior Lighting Systems Description and Operation
Control Module References
Outputs (Coupe/Sedan)
Outputs (Coupe/Sedan)
Outputs (Coupe/Sedan)
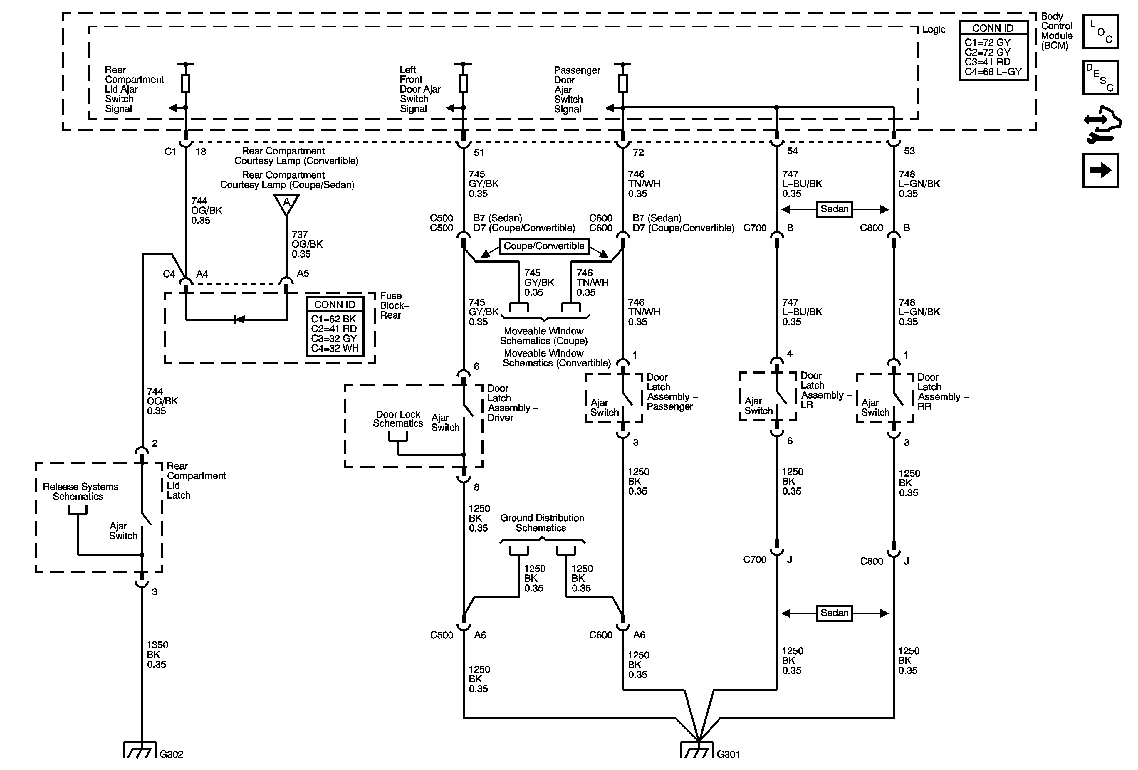
Ajar Switches - Coupe
Front Window Motors - Convertible
Door Lock Switches
Release Systems Schematics
G301
G302
G301