GM Service Manual Online
For 1990-2009 cars only
Makes
🢒
Pontiac
🢒
2004
🢒
GTO
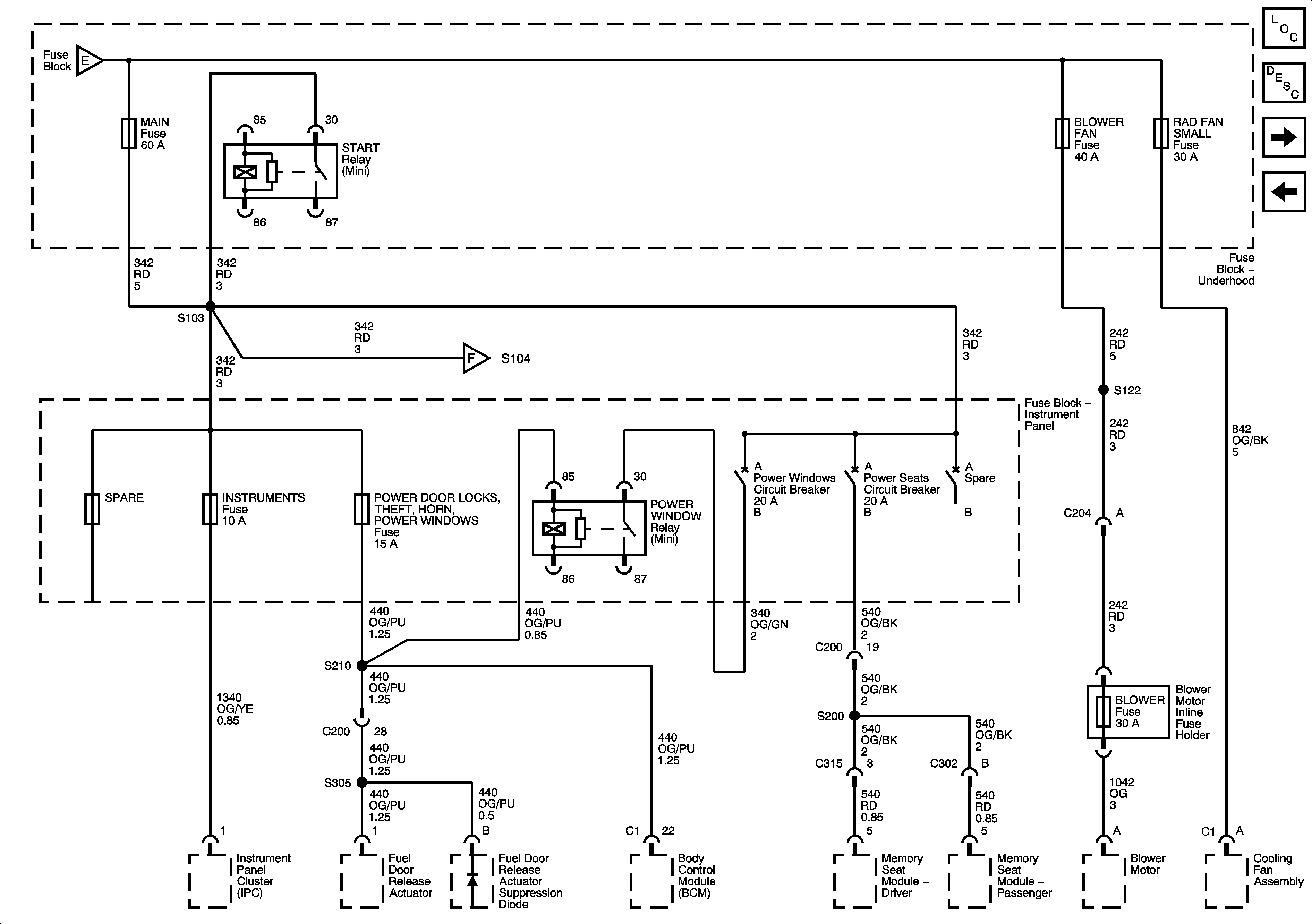
🢒 Main, Blower, Rad Fan Small, Power Door Locks, Theft, Horn, Power Windows Fuses
Main, Blower, Rad Fan Small, Power Door Locks, Theft, Horn, Power Windows Fuses
MAIN, BLOWER FAN, RAD FAN SMALL, INSTRUMENTS, POWER DOOR LOCKS, THEFT, HORN, POWER WINDOWS Fuses
Master Electrical Component List
Heated Rear Window, Radio, Cell Phone, Amplifier, Ignition Switch, Horn Fuses
Engine, Fuel Pump, BCM/Engine Control Telematics Fuses