GM Service Manual Online
For 1990-2009 cars only
Makes
🢒
Pontiac
🢒
2004
🢒
GTO
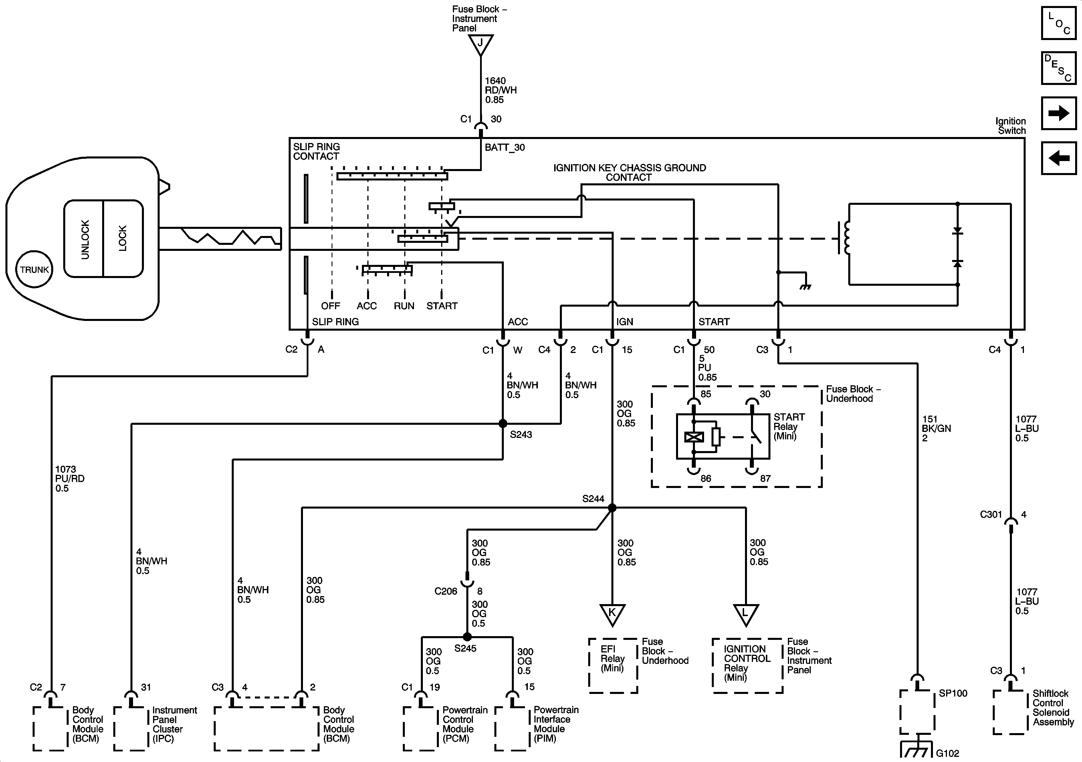
🢒 Ignition Switch
Ignition Switch
Ignition Switch
Master Electrical Component List
Accessory Control relay, Radio/Phone, ACC Socket, Front Washer/Wiper Fuses
Heated Rear Window, Radio, Cell Phone, Amplifier, Ignition Switch, Horn Fuses