GM Service Manual Online
For 1990-2009 cars only
Makes
🢒
Pontiac
🢒
2004
🢒
GTO
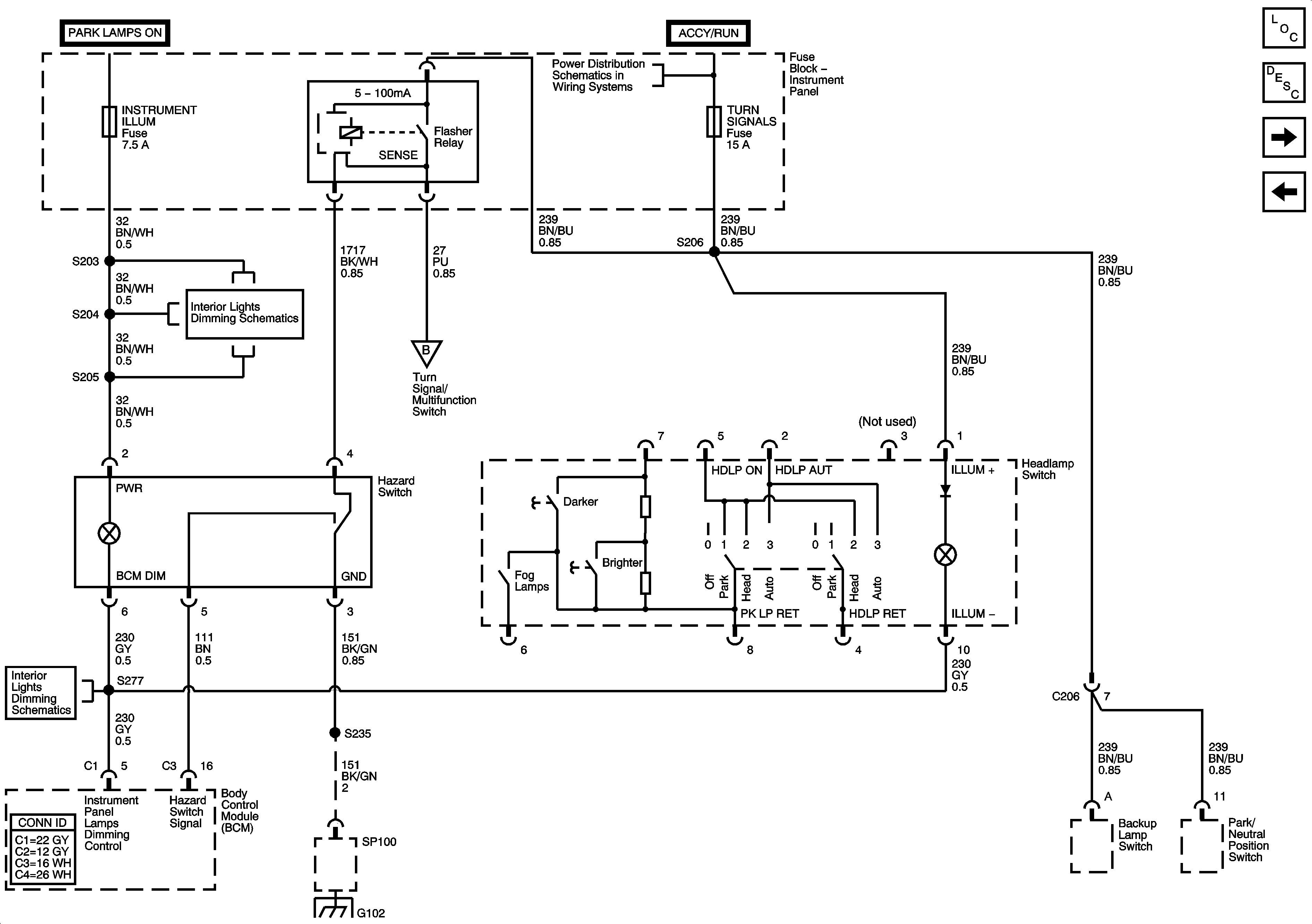
🢒 Headlamp Switch, Hazard Switch and Flasher
Headlamp Switch, Hazard Switch and Flasher
Headlamp Switch, Hazard Switch and Flasher
Master Electrical Component List
Exterior Lighting Systems Description and Operation
Turn Signal Switch and Lamps
Rear Marker Lamps
Interior Lamps Dimming Schematic
Interior Lamps Dimming Schematic
Turn Signals, Heated Rear Window, HVAC and Instruments Fuses
SP100 and G102