GM Service Manual Online
For 1990-2009 cars only
Makes
🢒
Pontiac
🢒
2005
🢒
GTO
🢒
Accessories
🢒
Cruise Control
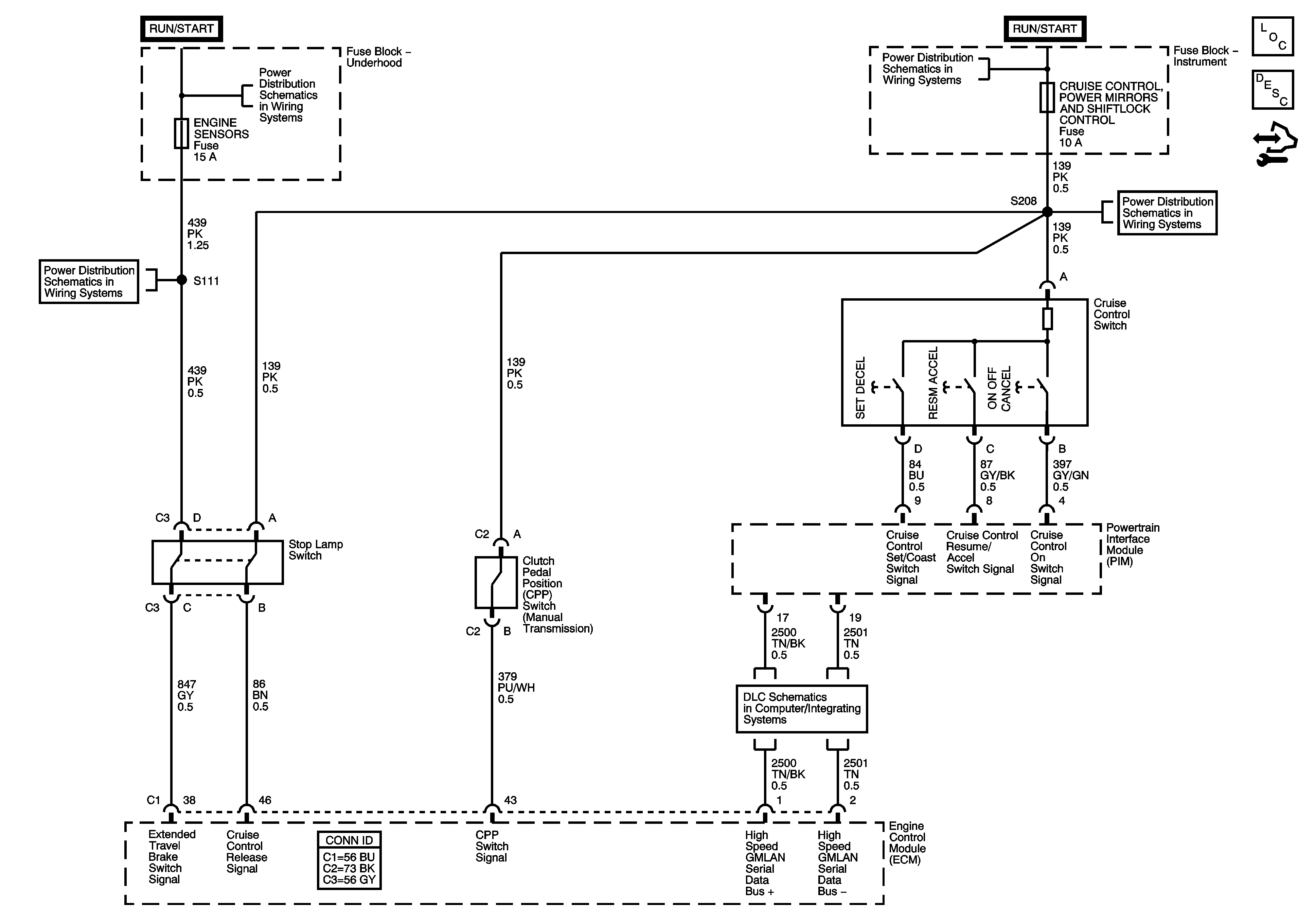
🢒 Cruise Control Schematics
Master Electrical Component List
Cruise Control Description and Operation
Control Module References
EFI Relay, AUTO TRANS and ENGINE SENSORS Fuses
EFI Relay, AUTO TRANS and ENGINE SENSORS Fuses
Ignition Control Relay, ABS and TCS, SRS, CIGAR LIGHTER, CRUISE CONTROL, POWER MIRROR and SHIFTLOCK CONTROL Fuses
Ignition Control Relay, ABS and TCS, SRS, CIGAR LIGHTER, CRUISE CONTROL, POWER MIRROR and SHIFTLOCK CONTROL Fuses
Data Link Connector - 2 of 2