GM Service Manual Online
For 1990-2009 cars only
Makes
🢒
Pontiac
🢒
2005
🢒
GTO
🢒 Charging System
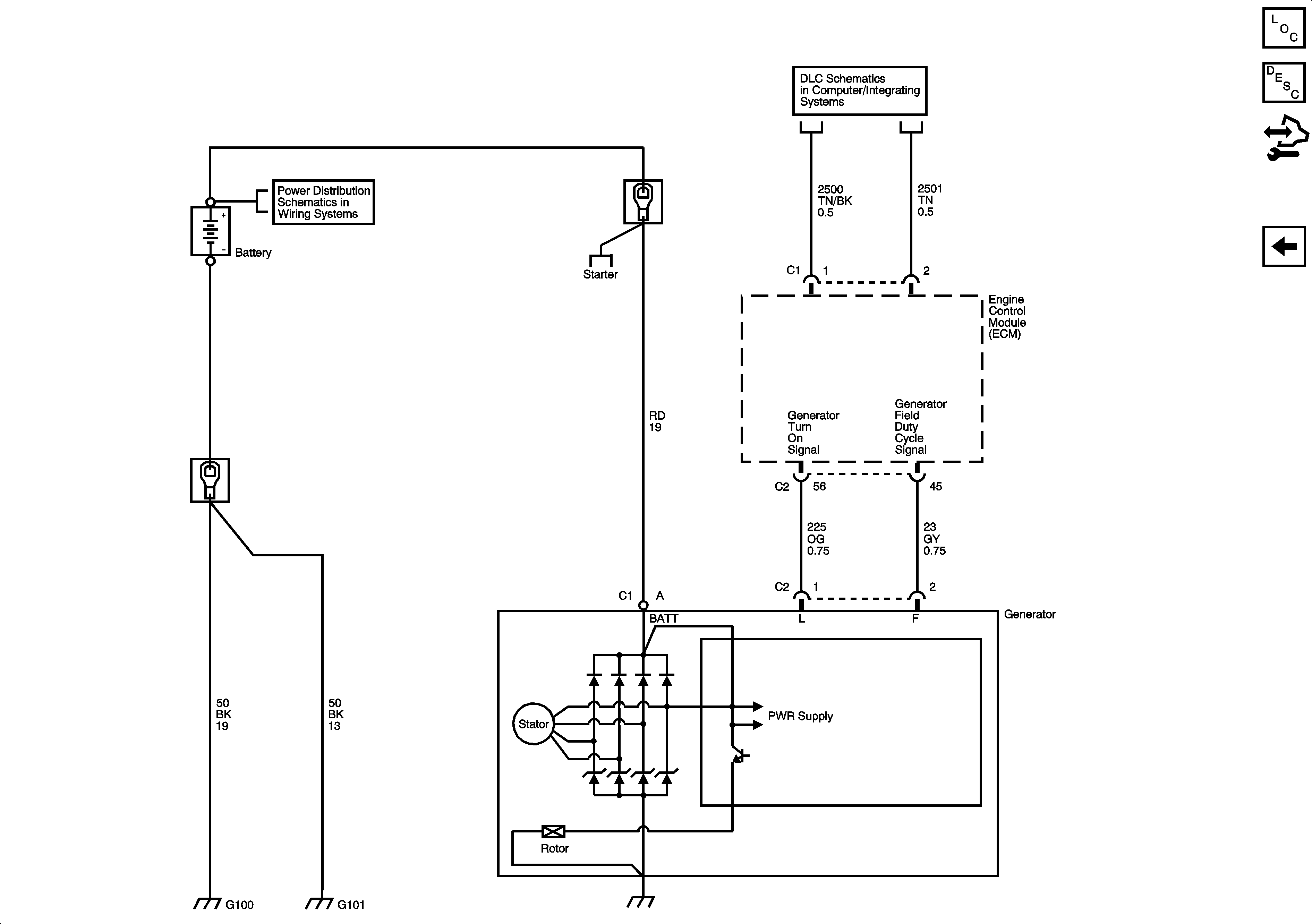
Charging System
Charging System
Master Electrical Component List
Control Module References
ECM/TCM Control Relays
Battery, RAD FAN LARGE, LIGHTING, and ABS Fuses
Data Link Connector - 2 of 2