GM Service Manual Online
For 1990-2009 cars only
Makes
🢒
Pontiac
🢒
2005
🢒
GTO
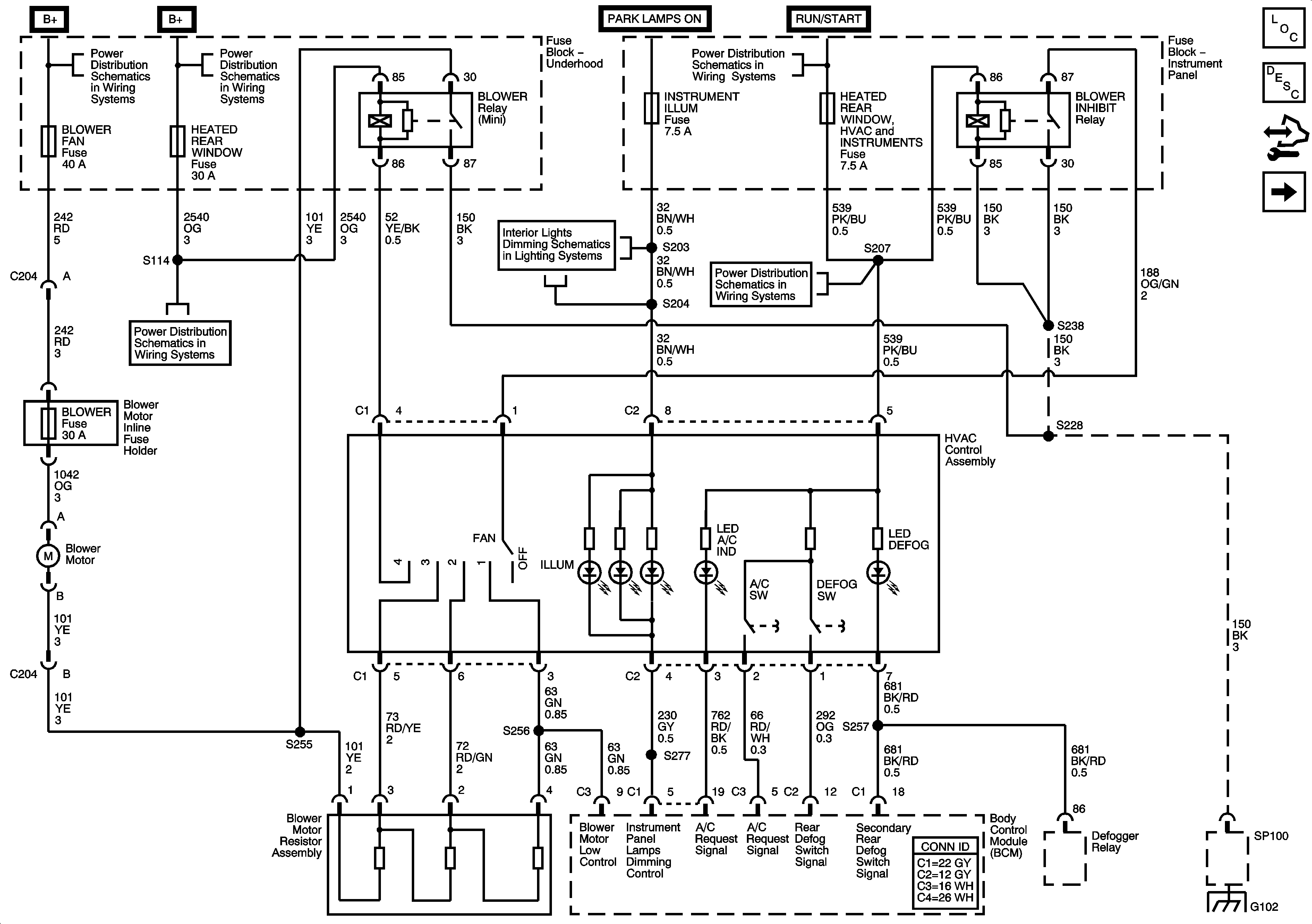
🢒 Blower Control
Blower Control
Blower Control
Master Electrical Component List
Air Delivery Description and Operation
Control Module References
A/C Compressor Control
MAIN, BLOWER FAN, RAD FAN SMALL, INSTRUMENTS, POWER DOOR LOCKS, THEFT, HORN and POWER WINDOW Fuses
HEATED REAR WINDOW, RADIO, CELLULAR PHONE, SUB-WOOFER, AMPLIFIER, IGNITION SWITCH and HORN Fuses
HEATED REAR WINDOW, RADIO, CELLULAR PHONE, SUB-WOOFER, AMPLIFIER, IGNITION SWITCH and HORN Fuses
Interior Dimming Lights
TURN SIGNALS and BACKUP LAMPS, HEATED REAR WINDOW, HVAC, and INSTRUMENT Fuses
TURN SIGNALS and BACKUP LAMPS, HEATED REAR WINDOW, HVAC, and INSTRUMENT Fuses
G100, G101, SP100 and G102 1 of 5