GM Service Manual Online
For 1990-2009 cars only
Makes
🢒
Pontiac
🢒
2005
🢒
GTO
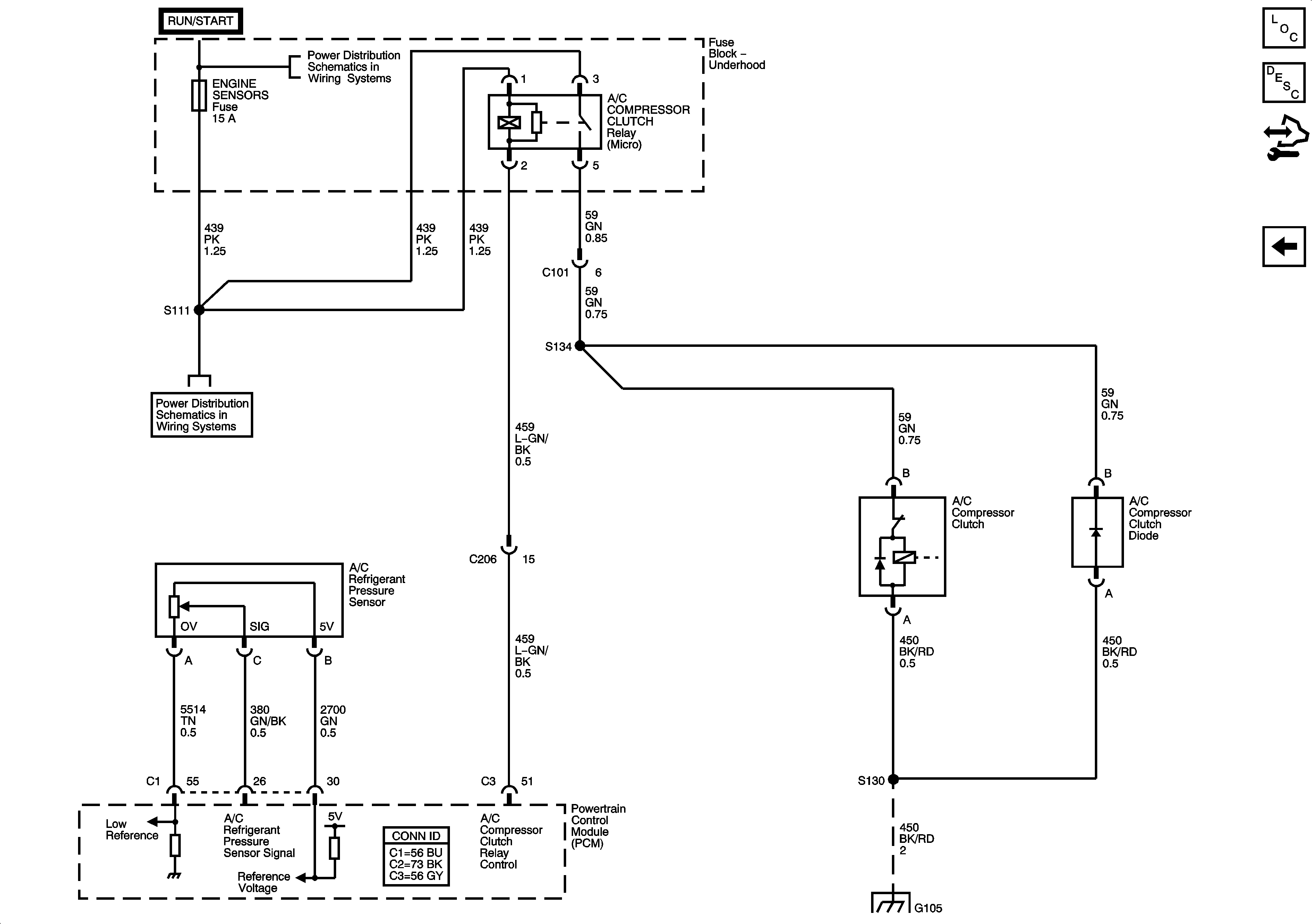
🢒 A/C Compressor Control
A/C Compressor Control
A/C Compressor Control
Master Electrical Component List
Air Temperature Description and Operation
Control Module References
Blower Control
EFI Relay, AUTO TRANS and ENGINE SENSORS Fuses
EFI Relay, AUTO TRANS and ENGINE SENSORS Fuses
G104 and G105