GM Service Manual Online
For 1990-2009 cars only
Makes
🢒
Pontiac
🢒
2005
🢒
GTO
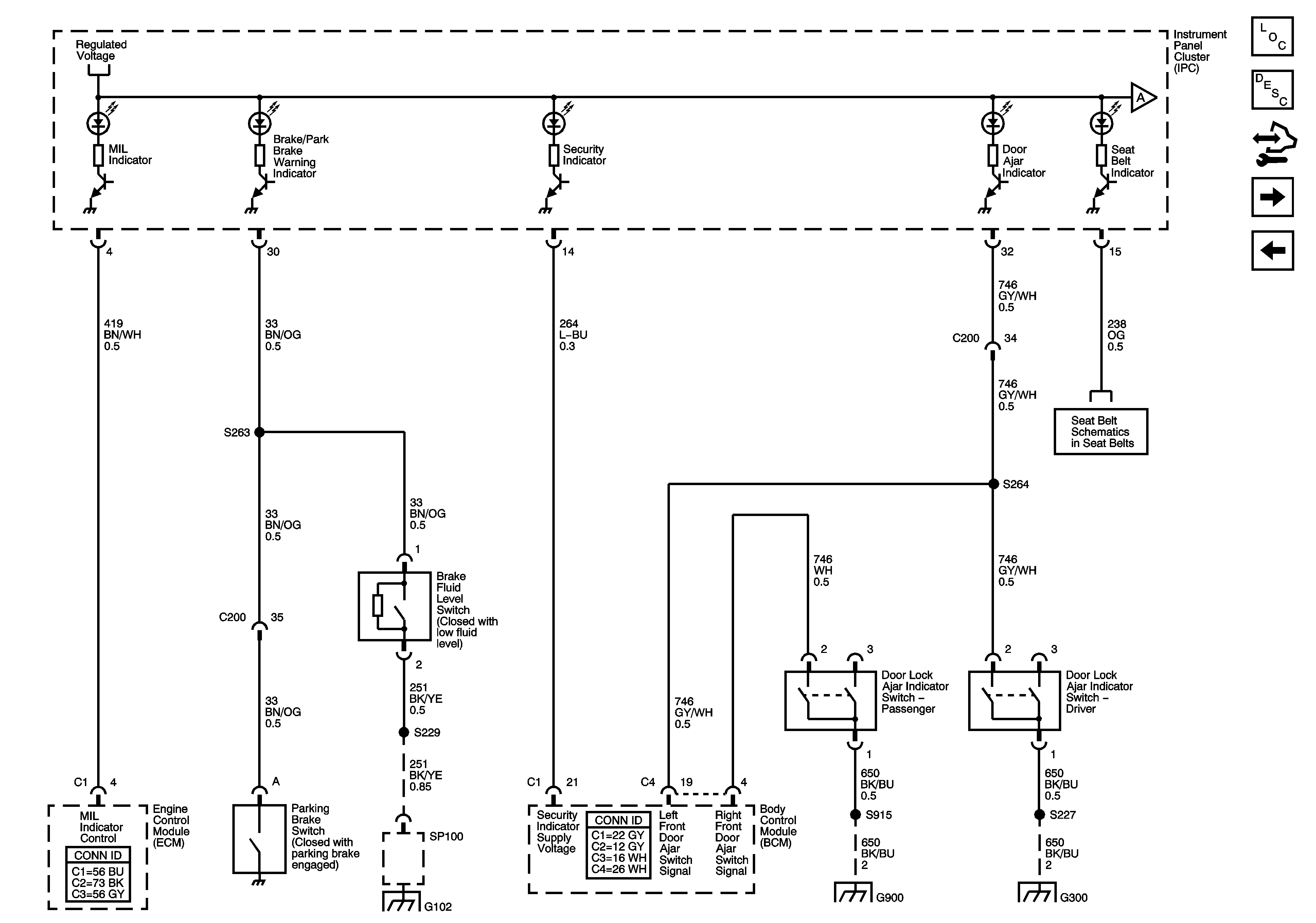
🢒 MIL, Brake, Security, Door Ajar, and Seat Belt Indicators
MIL, Brake, Security, Door Ajar, and Seat Belt Indicators
MIL, Brake, Security, Door Ajar, and Seat Belt Indicators
Master Electrical Component List
Instrument Cluster Description and Operation
Control Module References
Trip Odometer, Engine/Vehicle Speed, SRS, ABS, DRL, Hi Beam, Fog Lamps, Turn Indicators
Instrument Panel Cluster (IPC) Power and Ground, Serial Data
SP100 and G102 2 of 5
G900 and G901
G300, G301 and G400
Seat Belt Schematics