GM Service Manual Online
For 1990-2009 cars only
Makes
🢒
Pontiac
🢒
2005
🢒
GTO
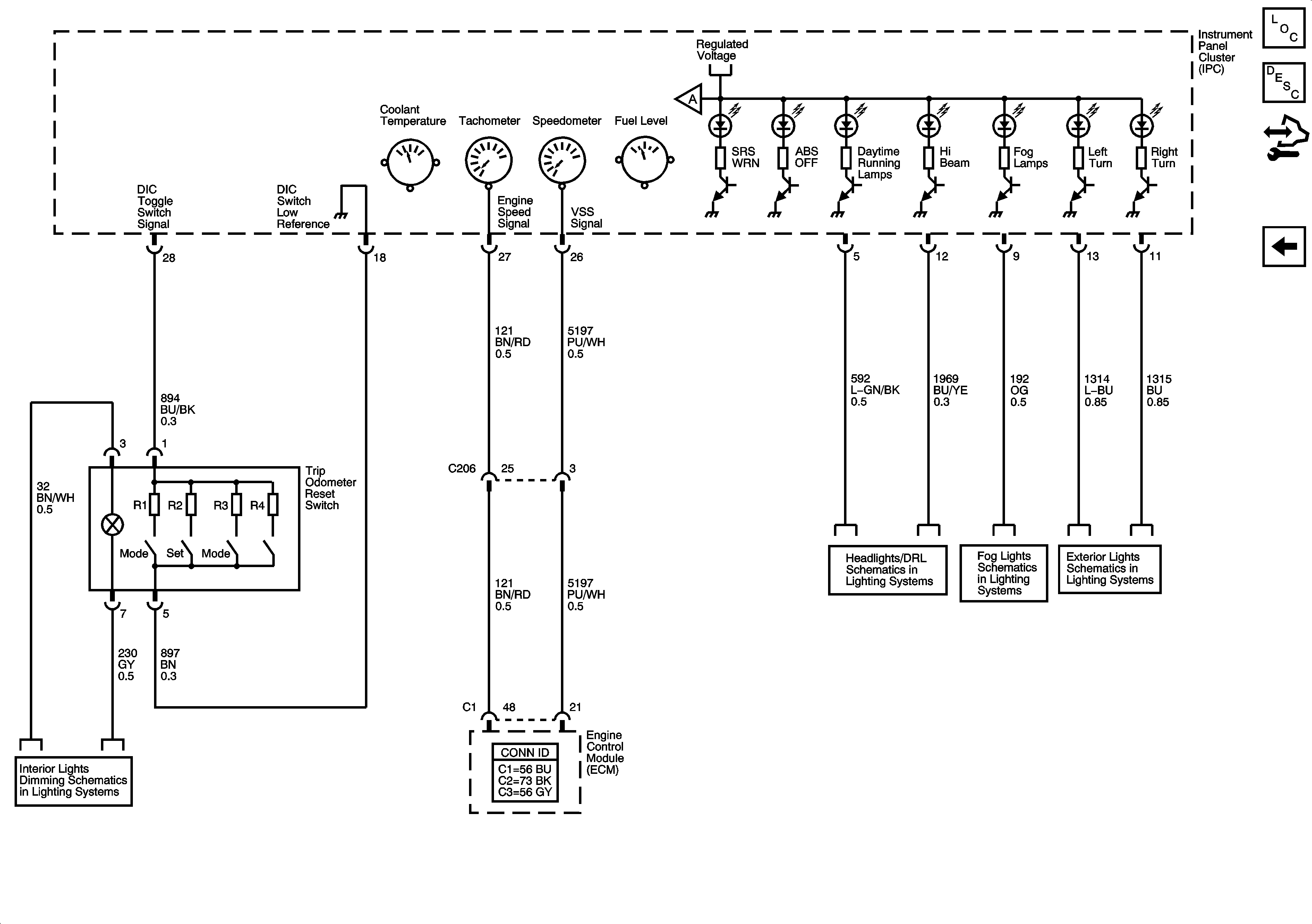
🢒 Trip Odometer, Engine/Vehicle Speed, SRS, ABS, DRL, Hi Beam, Fog Lamps, Turn Indicators
Trip Odometer, Engine/Vehicle Speed, SRS, ABS, DRL, Hi Beam, Fog Lamps, Turn Indicators
Trip Odometer, Engine/Vehicle Speed, SRS, ABS, DRL, HI Beam, Fog Lamps, and Turn Indicators
Master Electrical Component List
Instrument Cluster Description and Operation
Control Module References
MIL, Brake, Security, Door Ajar, and Seat Belt Indicators
Interior Dimming Lights
Headlights/DRL
Fog Lights
Turn Signal Switch and Lamps