GM Service Manual Online
For 1990-2009 cars only
Makes
🢒
Pontiac
🢒
2005
🢒
GTO
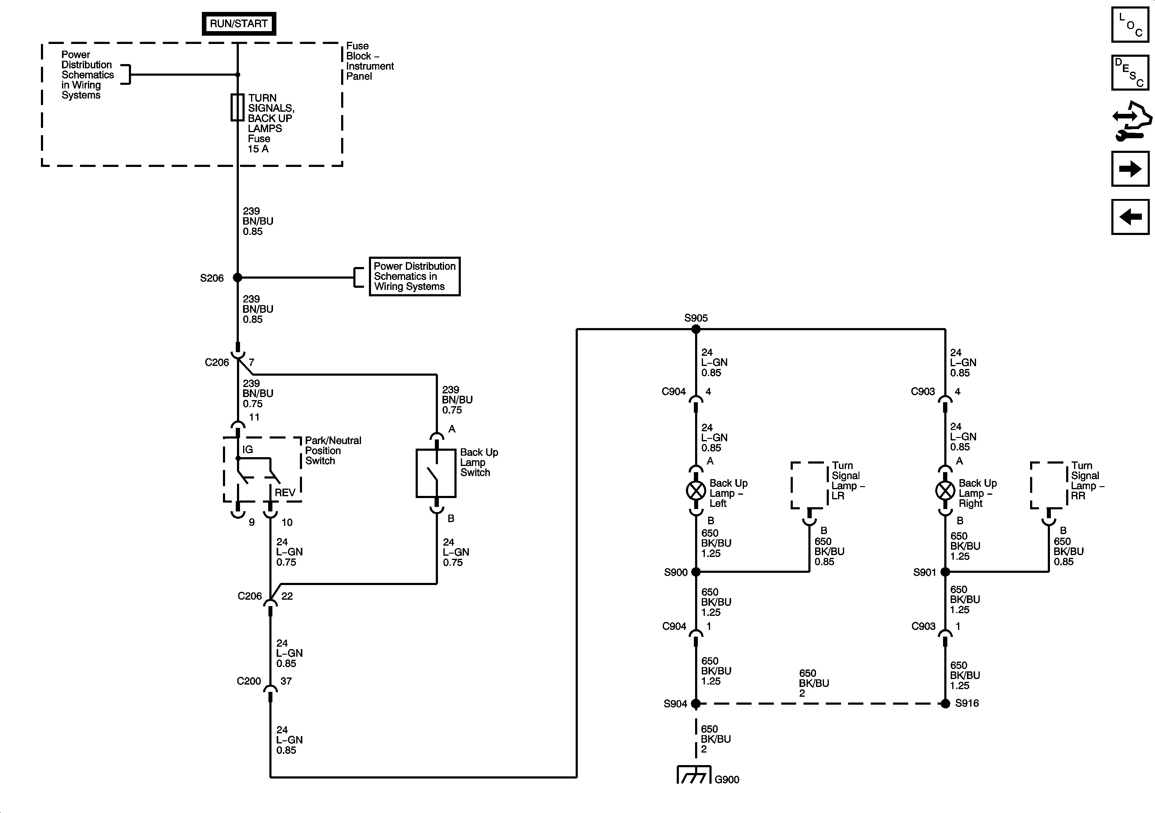
🢒 Backup Lamps
Backup Lamps
Backup Lamps
Master Electrical Component List
Exterior Lighting Systems Description and Operation
Control Module References
Trailer Lighting
Stop Lamps
TURN SIGNALS and BACKUP LAMPS, HEATED REAR WINDOW, HVAC, and INSTRUMENT Fuses
TURN SIGNALS and BACKUP LAMPS, HEATED REAR WINDOW, HVAC, and INSTRUMENT Fuses
G900 and G901