GM Service Manual Online
For 1990-2009 cars only
Makes
🢒
Pontiac
🢒
2005
🢒
GTO
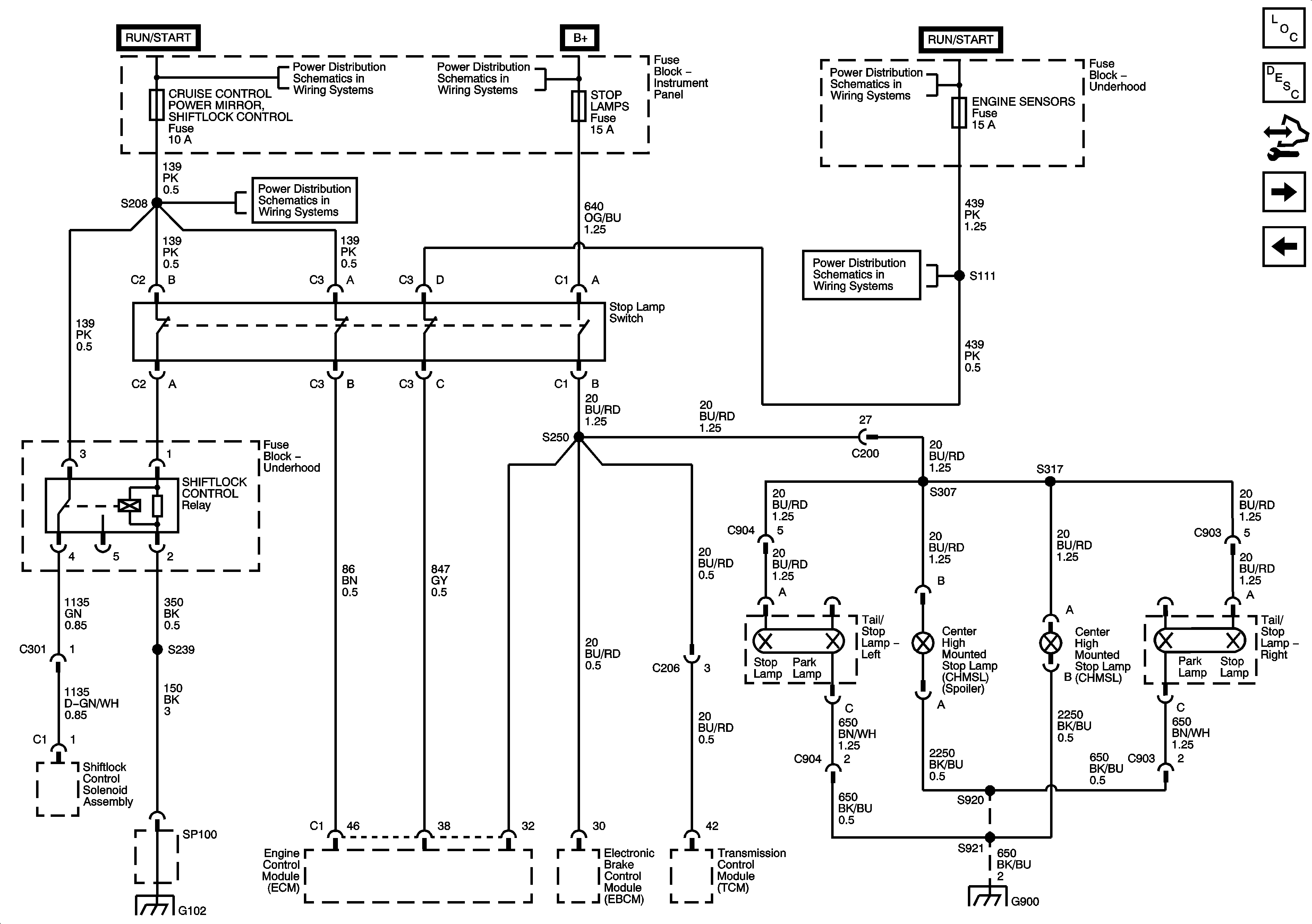
🢒 Stop Lamps
Stop Lamps
Stop Lamps
Master Electrical Component List
Exterior Lighting Systems Description and Operation
Control Module References
Backup Lamps
Turn Signal Switch and Lamps
Ignition Control Relay, ABS and TCS, SRS, CIGAR LIGHTER, CRUISE CONTROL, POWER MIRROR and SHIFTLOCK CONTROL Fuses
Ignition Control Relay, ABS and TCS, SRS, CIGAR LIGHTER, CRUISE CONTROL, POWER MIRROR and SHIFTLOCK CONTROL Fuses
SP100 and G102 - 5 of 5, G103 and G200
PARK LAMPS, STOP LAMPS, INTERIOR ILLUMINATION, HAZARD LAMPS Fuses
EFI Relay, AUTO TRANS and ENGINE SENSORS Fuses
EFI Relay, AUTO TRANS and ENGINE SENSORS Fuses
G900 and G901