GM Service Manual Online
For 1990-2009 cars only
Makes
🢒
Pontiac
🢒
2001
🢒
Grand Am
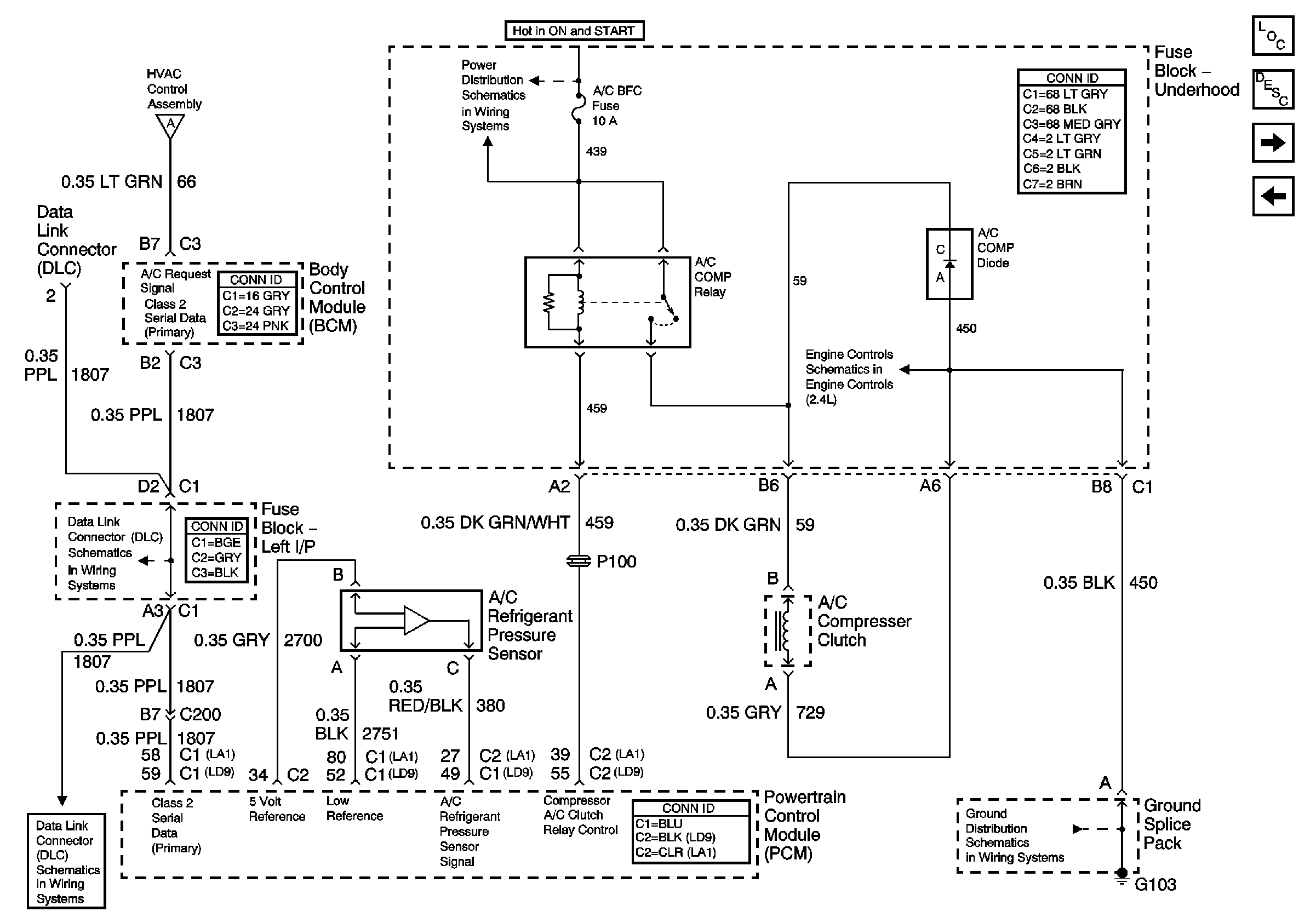
🢒 Compressor Controls
Compressor Controls
Compressor Controls
Master Electrical Component List
Temperature Controls
Blower Motor Controls
G103 and G105
Power, Ground, and Injectors
IGN SW-BATT2, WIPER, AIR BAG, TURN LPS, IGN MOD, BU LMP, PCM IGN, F/PINJR, A/C BFC, AUTO TRANS, ABS, IGN Fuses
Power and Ground
Data Link Connector Schematics
Data Link Connector Schematics